0
Contatos
Polaris
Diagramas de Peças Polaris
Preços Veículos Polaris
Oleos Polaris
Consumiveis Polaris
Acessórios Polaris
Configurador Acessórios Polaris
Acessórios Polaris Mais Requisitados
Consumiveis
Loja Online
Promoções Fim de Semana
Alargadores Espaçadores
Baterias Motos e SSV
Capacetes
Correias Variador
Escapes ATV / SSV
Ferramenta tools Diagnóstico
Filtros de Ar
Filtros de Oleo
Guinchos
Jantes ATV e SSV
Malas e Baus
Merchandising Boutique
Oleos Lubrificantes
Optimate Acessórios
Optimate Optimizadores de Bateria
Pastilhas de Travão Travagem
Pinhons Cremalheiras Correntes
Proteções Bumpers
Rolamentos Roda
Transmissões Foles Homocinéticas
Variadores Acessórios
Velas e Cachimbos
Encomendas-Faturas
Minhas Encomendas
Faturas Emitidas
Peças Pendentes
Viaturas
Localizar Número Chassis
Modelos 2021
Modelos 2022
Modelos 2023
Modelos 2024
Modelos 2025
Modelos 2026
Cesto
0
Benvindo : Sair
< Voltar
POLARIS SCRAMBLER 500 4X4 2000 A00BG50AA
A ARMS
Ver Peças/Preços/Stock
AIR BOX
Ver Peças/Preços/Stock
CARBURETOR
Ver Peças/Preços/Stock
CLUTCH COVER
Ver Peças/Preços/Stock
CONTROL PANEL
Ver Peças/Preços/Stock
CONTROLS
Ver Peças/Preços/Stock
CONTROLS MASTER CYLINDER/BRAKE LINE
Ver Peças/Preços/Stock
COOLING SYSTEM
Ver Peças/Preços/Stock
CRANKCASE
Ver Peças/Preços/Stock
CRANKSHAFT and PISTON
Ver Peças/Preços/Stock
CV JOINT
Ver Peças/Preços/Stock
CYLINDER
Ver Peças/Preços/Stock
DECALS
Ver Peças/Preços/Stock
DRIVE CLUTCH
Ver Peças/Preços/Stock
DRIVEN CLUTCH
Ver Peças/Preços/Stock
ELECTRICAL/TAILLIGHT
Ver Peças/Preços/Stock
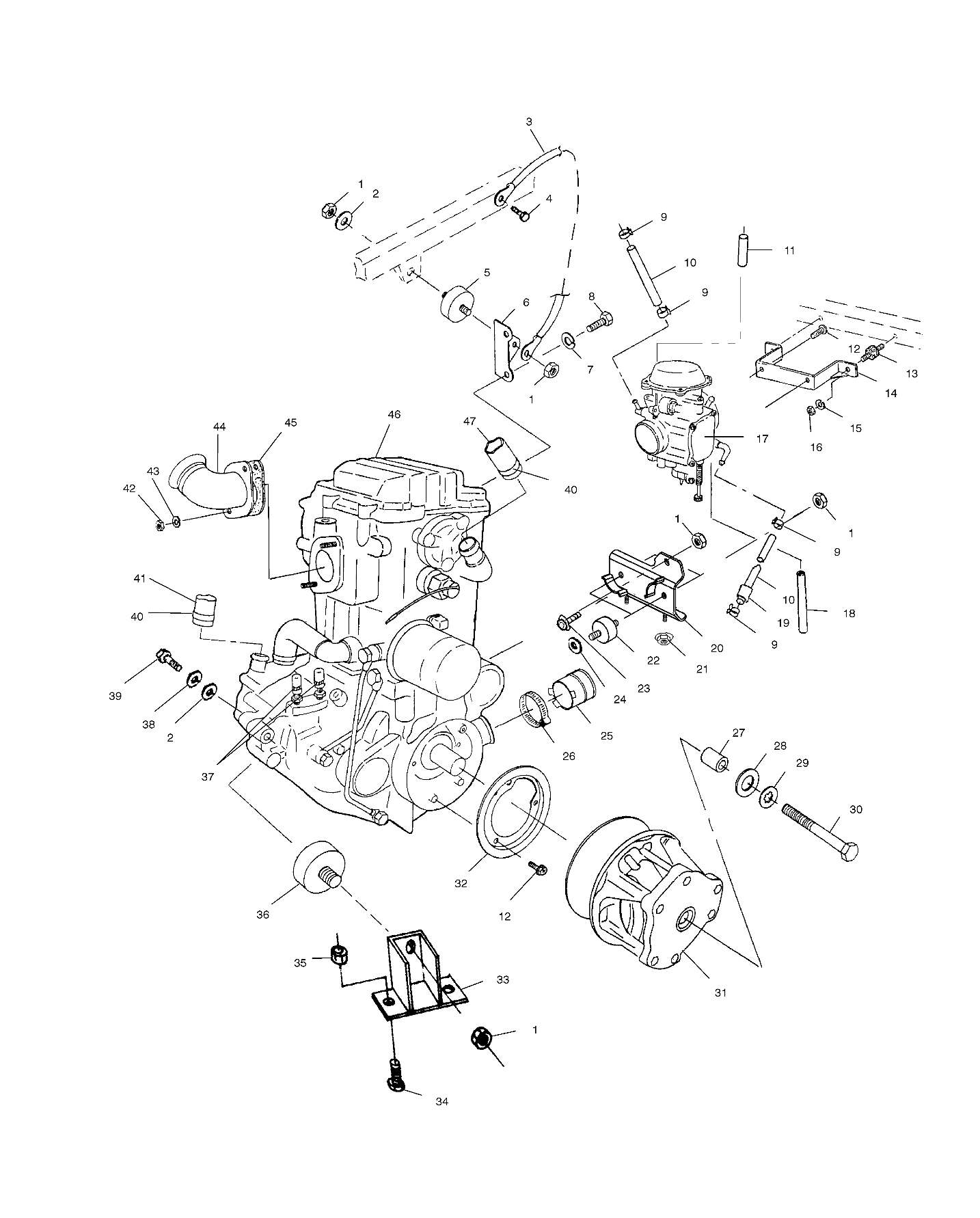
ENGINE MOUNTING
Ver Peças/Preços/Stock
EXHAUST SYSTEM
Ver Peças/Preços/Stock
FOX SHOCK, GAS, RESERVOIR
Ver Peças/Preços/Stock
FRONT BRAKE
Ver Peças/Preços/Stock
FRONT BUMPER and SHIELDS
Ver Peças/Preços/Stock
FRONT CAB
Ver Peças/Preços/Stock
FRONT HOUSING
Ver Peças/Preços/Stock
FRONT HOUSING A00BG50AA
Ver Peças/Preços/Stock
FRONT STRUT
Ver Peças/Preços/Stock
FRONT WHEEL
Ver Peças/Preços/Stock
FUEL PUMP
Ver Peças/Preços/Stock
FUEL TANK
Ver Peças/Preços/Stock
GEAR SELECTOR
Ver Peças/Preços/Stock
GEARCASE
Ver Peças/Preços/Stock
GEARCASE A00BG50AA (4954855485C013)
Ver Peças/Preços/Stock
GEARCASE MOUNTING
Ver Peças/Preços/Stock
HANDLEBAR/HEADLIGHT
Ver Peças/Preços/Stock
INTAKE and EXHAUST
Ver Peças/Preços/Stock
MAGNETO
Ver Peças/Preços/Stock
OIL FILTER
Ver Peças/Preços/Stock
OIL PUMP
Ver Peças/Preços/Stock
OIL TANK
Ver Peças/Preços/Stock
PROP SHAFT
Ver Peças/Preços/Stock
REAR BRAKE MASTER CYLINDER
Ver Peças/Preços/Stock
REAR CAB
Ver Peças/Preços/Stock
REAR CALIPER MOUNTING
Ver Peças/Preços/Stock
REAR HOUSING
Ver Peças/Preços/Stock
REAR WHEEL
Ver Peças/Preços/Stock
RECOIL STARTER
Ver Peças/Preços/Stock
SHOCK VALVING
Ver Peças/Preços/Stock
STARTING MOTOR
Ver Peças/Preços/Stock
STEERING POST
Ver Peças/Preços/Stock
SWING ARM/SHOCK MOUNTING
Ver Peças/Preços/Stock
TOOL KIT
Ver Peças/Preços/Stock
WATER PUMP
Ver Peças/Preços/Stock