Voltar
Esta peça é usada em 40 Veiculos
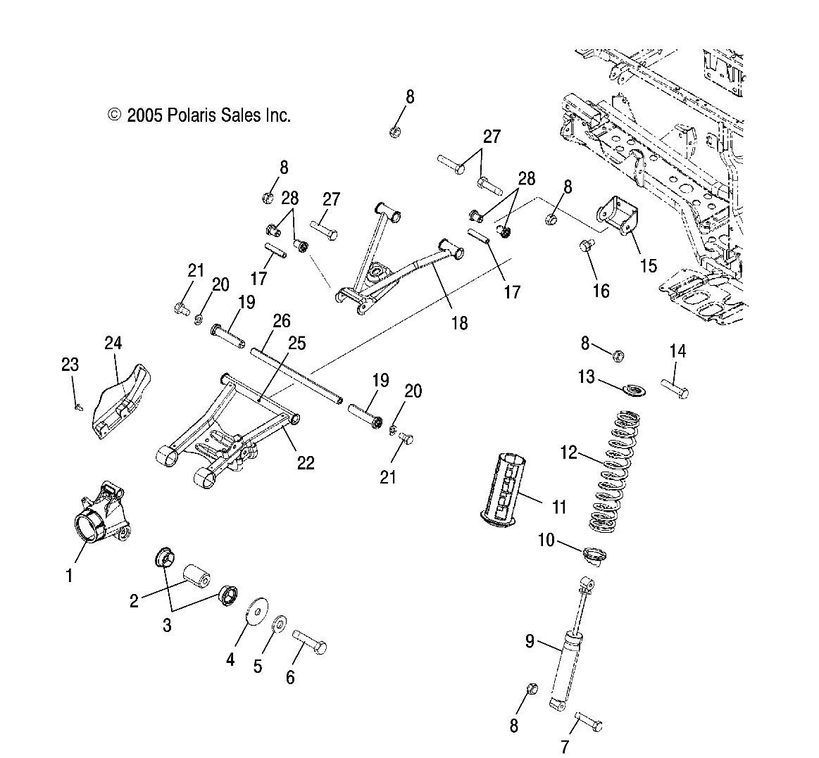
é Peça numero 9 desta imagem
Veículos em que se usa a peça :
| Voltar |
Year |
Model_Name |
Model_id |
Assembly |
|
| 2006 |
SPORTSMAN 450 |
A06MH46AA |
SUSPENSION, REAR |
|
| 2006 |
SPORTSMAN 500 HO |
A06MH50AA |
SUSPENSION, REAR |
|
| 2006 |
SPORTSMAN 700 |
A06MH68AA |
SUSPENSION, REAR |
|
| 2006 |
SPORTSMAN 700 EFI |
A06MH68AQ |
SUSPENSION, REAR |
|
| 2006 |
SPORTSMAN 800 EFI |
A06MH76AL |
SUSPENSION, REAR |
|
| 2005 |
SPORTSMAN 400 |
A05MH42AB |
REAR SUSPENSION |
|
| 2005 |
SPORTSMAN 500 HO/INTL |
A05MH50AB |
REAR SUSPENSION |
|
| 2005 |
SPORTSMAN 600 |
A05MH59AK |
REAR SUSPENSION |
|
| 2005 |
SPORTSMAN 700 |
A05MH68AK/AN/AD |
REAR SUSPENSION |
|
| 2005 |
SPORTSMAN 700 EFI |
A05MH68AC |
REAR SUSPENSION |
|
| 2005 |
SPORTSMAN 800 EFI |
A05MH76AC/AU/AW |
SUSPENSION, REAR |
|
| 2004 |
SPORTSMAN 400 |
A04CH42AA/AE/AG |
REAR SUSPENSION |
|
| 2004 |
SPORTSMAN 400 |
A04CH42AQ/AR/AS/AT/AV |
REAR SUSPENSION |
|
| 2004 |
SPORTSMAN 500 |
A04CH50AA/AC/AE/AG |
REAR SUSPENSION |
|
| 2004 |
SPORTSMAN 500 |
A04CH50AO/AQ/AR/AS/AT/AV/AW/AX |
REAR SUSPENSION |
|
| 2004 |
SPORTSMAN 600 |
A04CH59AF/AH/AJ/AT/AV |
REAR SUSPENSION |
|
| 2004 |
SPORTSMAN 600 |
A04CH59AK/AL/AN/AQ/AW |
REAR SUSPENSION |
|
| 2004 |
SPORTSMAN 700 |
A04CH68AC/AF/AH/AJ/AT/AV |
REAR SUSPENSION |
|
| 2004 |
SPORTSMAN 700 |
A04CH68AK/AL/AN/AO |
REAR SUSPENSION |
|
| 2004 |
SPORTSMAN 700 |
A04CH68AP/AQ/AU/CU |
REAR SUSPENSION |
|
| 2003 |
SPORTSMAN 400 |
A03CH42AA/AB/AC |
REAR SUSPENSION |
|
| 2003 |
SPORTSMAN 500 HO |
A03CH50AA/AB/AC/AD/AE/AH/AJ |
REAR SUSPENSION |
|
| 2003 |
SPORTSMAN 600 |
A03CH59AA |
REAR SUSPENSION |
|
| 2003 |
SPORTSMAN 700 |
A03CH68AA/AC/AF/AH/AL |
REAR SUSPENSION |
|
| 2002 |
SPORTSMAN 400 |
A02CH42AB |
REAR SUSPENSION |
|
| 2002 |
SPORTSMAN 400 |
A02CH42AC |
REAR SUSPENSION |
|
| 2002 |
SPORTSMAN 400 |
A02CH42AA |
REAR SUSPENSION |
|
| 2002 |
SPORTSMAN 500 ALL OPTIONS |
A02CH50 |
REAR SUSPENSION |
|
| 2002 |
SPORTSMAN 700 |
A02CH68AA/AB/AC/CA/CB |
REAR SUSPENSION |
|
| 2001 |
DIESEL |
A10CH46CA |
REAR SUSPENSION |
|
| 2001 |
SPORTSMAN 400 |
A01CH42AB |
REAR SUSPENSION |
|
| 2001 |
SPORTSMAN 400 |
A01CH42AA |
REAR SUSPENSION |
|
| 2001 |
SPORTSMAN 400 |
A01CH42AC |
REAR SUSPENSION |
|
| 2001 |
SPORTSMAN 500 DUSE HO |
A01CH50AF |
REAR SUSPENSION |
|
| 2001 |
SPORTSMAN 500 HO |
A01CH50AA |
REAR SUSPENSION |
|
| 2001 |
SPORTSMAN 500 HO |
A01CH50AK |
REAR SUSPENSION |
|
| 2001 |
SPORTSMAN 500 HO |
A01CH50AE |
REAR SUSPENSION |
|
| 2001 |
SPORTSMAN 500 HO |
A01CH50AB |
REAR SUSPENSION |
|
| 2001 |
SPORTSMAN 500 RSE HO |
A01CH50AJ |
REAR SUSPENSION |
|
| 2001 |
WORKER 500 |
A01CH50EB |
REAR SUSPENSION |