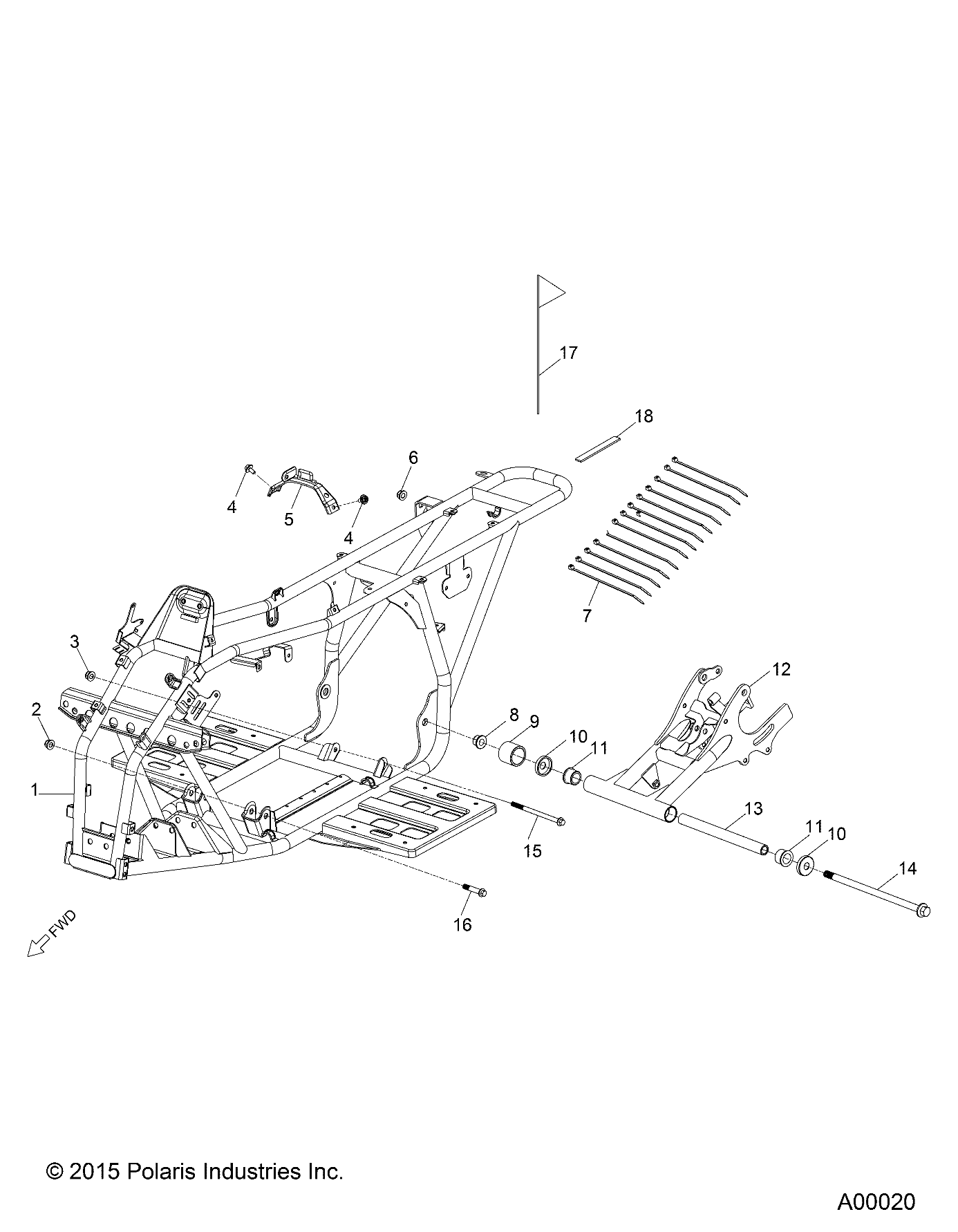
|
| 2022 |
OUTLAW 110/MD (R01) |
A22YAK11B6/B7/N6/N7 |
CHASSIS, FRAME |
|
| 2022 |
OUTLAW 110/MD (R01) |
A22YAK11B6/B7/N6/N7 |
STEERING, STEERING POST AND TIE ROD ASM. |
|
| 2022 |
PHOENIX 200/MD (R02) |
A22YAP20A4/N4 |
CHASSIS, FRAME |
|
| 2022 |
PHOENIX 200/MD (R02) |
A22YAP20A4/N4 |
CHASSIS, REAR SWING ARM |
|
| 2022 |
PHOENIX 200/MD (R02) |
A22YAP20A4/N4 |
STEERING, STEERING POST AND TIE RODS |
|
| 2022 |
PHOENIX 200/MD (R02) |
A22YAP20A4/N4 |
STEERING, STEERING POST AND TIE RODS |
|
| 2022 |
PHOENIX 200/MD (R02) |
A22YAP20A4/N4 |
STEERING, STEERING POST AND TIE RODS |
|
| 2022 |
PHOENIX 200/MD (R02) |
A22YAP20A4/N4 |
STEERING, STEERING POST AND TIE RODS |
|
| 2022 |
SPORTSMAN 110/MD (R01) |
A22YAF11B5/N5 |
CHASSIS, FRAME |
|
| 2022 |
SPORTSMAN 110/MD (R01) |
A22YAF11B5/N5 |
STEERING, STEERING POST AND TIE ROD ASM. |
|
| 2021 |
OUTLAW 110 (R02) |
A21YAK11B6/B7/N6/N7 |
CHASSIS, FRAME |
|
| 2021 |
OUTLAW 110 (R02) |
A21YAK11B6/B7/N6/N7 |
STEERING, STEERING POST AND TIE ROD ASM. |
|
| 2021 |
PHOENIX 200 (R01) |
A21YAP20A4/N4/CA4 |
CHASSIS, FRAME |
|
| 2021 |
PHOENIX 200 (R01) |
A21YAP20A4/N4/CA4 |
CHASSIS, REAR SWING ARM |
|
| 2021 |
PHOENIX 200 (R01) |
A21YAP20A4/N4/CA4 |
STEERING, STEERING POST AND TIE RODS |
|
| 2021 |
PHOENIX 200 (R01) |
A21YAP20A4/N4/CA4 |
STEERING, STEERING POST AND TIE RODS |
|
| 2021 |
PHOENIX 200 (R01) |
A21YAP20A4/N4/CA4 |
STEERING, STEERING POST AND TIE RODS |
|
| 2021 |
PHOENIX 200 (R01) |
A21YAP20A4/N4/CA4 |
STEERING, STEERING POST AND TIE RODS |
|
| 2021 |
SPORTSMAN 110 (R02) |
A21YAF11B5/N5 |
CHASSIS, FRAME |
|
| 2021 |
SPORTSMAN 110 (R02) |
A21YAF11B5/N5 |
STEERING, STEERING POST AND TIE ROD ASM. |
|
| 2020 |
OUTLAW 110 (R02) |
A20YAK11B7/B6/N7/N6 |
CHASSIS, FRAME |
|
| 2020 |
PHOENIX 200 (R02) |
A20YAP20A4/N4/CA4 |
CHASSIS, FRAME |
|
| 2020 |
PHOENIX 200 (R02) |
A20YAP20A4/N4/CA4 |
CHASSIS, REAR SWING ARM |
|
| 2020 |
OUTLAW 110 (R02) |
A20YAK11B7/B6/N7/N6 |
STEERING, STEERING POST AND TIE ROD ASM. |
|
| 2020 |
PHOENIX 200 (R02) |
A20YAP20A4/N4/CA4 |
STEERING, STEERING POST AND TIE RODS |
|
| 2020 |
PHOENIX 200 (R02) |
A20YAP20A4/N4/CA4 |
STEERING, STEERING POST AND TIE RODS |
|
| 2020 |
PHOENIX 200 (R02) |
A20YAP20A4/N4/CA4 |
STEERING, STEERING POST AND TIE RODS |
|
| 2020 |
PHOENIX 200 (R02) |
A20YAP20A4/N4/CA4 |
STEERING, STEERING POST AND TIE RODS |
|
| 2020 |
SPORTSMAN 110 (R02) |
A20YAF11B5/N5 |
CHASSIS, FRAME |
|
| 2020 |
SPORTSMAN 110 (R02) |
A20YAF11B5/N5 |
STEERING, STEERING POST AND TIE ROD ASM. |
|
| 2019 |
OUTLAW 110 (R04) |
A19YAK11B7/B6/N7/N6 |
CHASSIS, FRAME |
|
| 2019 |
OUTLAW 50 (R03) |
A19YAK05B7/B6/N7/N6 |
CHASSIS, FRAME AND SWING ARM |
|
| 2019 |
OUTLAW 50 (R03) |
A19YAK05B7/B6/N7/N6 |
CHASSIS, FRAME AND SWING ARM |
|
| 2019 |
OUTLAW 110 (R04) |
A19YAK11B7/B6/N7/N6 |
STEERING, STEERING POST AND TIE ROD ASM. |
|
| 2019 |
PHOENIX 200 (R03) |
A19YAP20A4/N4 |
CHASSIS, FRAME |
|
| 2019 |
PHOENIX 200 (R03) |
A19YAP20A4/N4 |
CHASSIS, REAR SWING ARM |
|
| 2019 |
PHOENIX 200 (R03) |
A19YAP20A4/N4 |
STEERING, STEERING POST AND TIE RODS |
|
| 2019 |
PHOENIX 200 (R03) |
A19YAP20A4/N4 |
STEERING, STEERING POST AND TIE RODS |
|
| 2019 |
PHOENIX 200 (R03) |
A19YAP20A4/N4 |
STEERING, STEERING POST AND TIE RODS |
|
| 2019 |
PHOENIX 200 (R03) |
A19YAP20A4/N4 |
STEERING, STEERING POST AND TIE RODS |
|
| 2019 |
SPORTSMAN 110 (R04) |
A19YAF11B5/N5 |
CHASSIS, FRAME |
|
| 2019 |
SPORTSMAN 110 (R04) |
A19YAF11B5/N5 |
STEERING, STEERING POST AND TIE ROD ASM. |
|
| 2018 |
OUTLAW 110 (R04) |
A18YAK11N4/N6/B4/B6 |
CHASSIS, FRAME |
|
| 2018 |
OUTLAW 50 (R05) |
A18YAK05B4/B6/N4/N6/A4/A6 |
CHASSIS, FRAME AND SWING ARM |
|
| 2018 |
OUTLAW 50 (R05) |
A18YAK05B4/B6/N4/N6/A4/A6 |
CHASSIS, FRAME AND SWING ARM |
|
| 2018 |
OUTLAW 110 (R04) |
A18YAK11N4/N6/B4/B6 |
STEERING, STEERING POST AND TIE ROD ASM. |
|
| 2018 |
PHOENIX 200 (R03 |
A18YAP20A8/N8 |
CHASSIS, FRAME |
|
| 2018 |
PHOENIX 200 (R03 |
A18YAP20A8/N8 |
CHASSIS, REAR SWING ARM |
|
| 2018 |
PHOENIX 200 (R03 |
A18YAP20A8/N8 |
STEERING, STEERING POST AND TIE RODS |
|
| 2018 |
PHOENIX 200 (R03 |
A18YAP20A8/N8 |
STEERING, STEERING POST AND TIE RODS |
|
| 2018 |
PHOENIX 200 (R03 |
A18YAP20A8/N8 |
STEERING, STEERING POST AND TIE RODS |
|
| 2018 |
PHOENIX 200 (R03 |
A18YAP20A8/N8 |
STEERING, STEERING POST AND TIE RODS |
|
| 2018 |
SPORTSMAN 110 (R04) |
A18YAF11B5/N5 |
CHASSIS, FRAME |
|
| 2018 |
SPORTSMAN 110 (R04) |
A18YAF11B5/N5 |
STEERING, STEERING POST AND TIE ROD ASM. |
|
| 2017 |
OUTLAW 110 (R07) |
A17YAK11A4/A6/N4/N6 |
CHASSIS, FRAME |
|
| 2017 |
OUTLAW 110 (R07) |
A17YAK11A4/A6/N4/N6 |
STEERING, STEERING POST AND TIE ROD ASM. |
|
| 2017 |
OUTLAW 50 (R05) |
A17YAK05A4/N4/A6/N6 |
CHASSIS, FRAME AND SWING ARM |
|
| 2017 |
OUTLAW 50 (R05) |
A17YAK05A4/N4/A6/N6 |
CHASSIS, FRAME AND SWING ARM |
|
| 2017 |
PHOENIX 200 (R06) |
A17YAP20A8/N8 |
CHASSIS, FRAME |
|
| 2017 |
PHOENIX 200 (R06) |
A17YAP20A8/N8 |
CHASSIS, REAR SWING ARM |
|
| 2017 |
PHOENIX 200 (R06) |
A17YAP20A8/N8 |
STEERING, STEERING POST AND TIE RODS |
|
| 2017 |
PHOENIX 200 (R06) |
A17YAP20A8/N8 |
STEERING, STEERING POST AND TIE RODS |
|
| 2017 |
PHOENIX 200 (R06) |
A17YAP20A8/N8 |
STEERING, STEERING POST AND TIE RODS |
|
| 2017 |
PHOENIX 200 (R06) |
A17YAP20A8/N8 |
STEERING, STEERING POST AND TIE RODS |
|
| 2017 |
SPORTSMAN 110 (R07) |
A17YAF11A5/N5 |
CHASSIS, FRAME |
|
| 2017 |
SPORTSMAN 110 (R07) |
A17YAF11A5/N5 |
STEERING, STEERING POST AND TIE ROD ASM. |
|
| 2016 |
OUTLAW 110 (R08) |
A16YAK11AD/AF |
CHASSIS, FRAME |
|
| 2016 |
OUTLAW 110 (R08) |
A16YAK11AD/AF |
STEERING, STEERING POST AND TIE ROD ASM. |
|
| 2016 |
OUTLAW 50 (R04) |
A16YAK05AD/AF |
CHASSIS, FRAME AND SWING ARM |
|
| 2016 |
OUTLAW 50 (R04) |
A16YAK05AD/AF |
CHASSIS, FRAME AND SWING ARM |
|
| 2016 |
OUTLAW 90 (R04) |
A16YAK09AF |
CHASSIS, FRAME |
|
| 2016 |
PHOENIX 200 (R04) |
A16YAP20AF |
CHASSIS, FRAME |
|
| 2016 |
PHOENIX 200 (R04) |
A16YAP20AF |
CHASSIS, REAR SWING ARM |
|
| 2016 |
OUTLAW 90 (R04) |
A16YAK09AF |
STEERING, STEERING POST AND TIE ROD ASM. |
|
| 2016 |
PHOENIX 200 (R04) |
A16YAP20AF |
STEERING, STEERING POST AND TIE RODS |
|
| 2016 |
PHOENIX 200 (R04) |
A16YAP20AF |
STEERING, STEERING POST AND TIE RODS |
|
| 2016 |
PHOENIX 200 (R04) |
A16YAP20AF |
STEERING, STEERING POST AND TIE RODS |
|
| 2016 |
PHOENIX 200 (R04) |
A16YAP20AF |
STEERING, STEERING POST AND TIE RODS |
|
| 2016 |
SPORTSMAN 110 (R09) |
A16YAF11AA |
CHASSIS, FRAME |
|
| 2016 |
SPORTSMAN 110 (R09) |
A16YAF11AA |
STEERING, STEERING POST AND TIE ROD ASM. |
|
| 2016 |
SPORTSMAN 90 (R07) |
A16YAF09AA |
CHASSIS, FRAME |
|
| 2016 |
SPORTSMAN 90 (R07) |
A16YAF09AA |
STEERING, STEERING POST AND TIE ROD ASM. |
|
| 2015 |
OUTLAW 50 |
A15YAK05AD/AF |
CHASSIS, FRAME AND SWING ARM |
|
| 2015 |
OUTLAW 50 |
A15YAK05AD/AF |
CHASSIS, FRAME AND SWING ARM |
|
| 2015 |
PHOENIX 200 |
A15YAP20AF |
CHASSIS, FRAME |
|
| 2015 |
PHOENIX 200 |
A15YAP20AF |
CHASSIS, REAR SWING ARM |
|
| 2015 |
PHOENIX 200 |
A15YAP20AF |
STEERING, STEERING POST AND TIE RODS |
|
| 2015 |
PHOENIX 200 |
A15YAP20AF |
STEERING, STEERING POST AND TIE RODS |
|
| 2014 |
OUTLAW 50 |
A14KA05AD/AF |
CHASSIS, FRAME AND SWING ARM |
|
| 2014 |
OUTLAW 50 |
A14KA05AD/AF |
CHASSIS, FRAME AND SWING ARM |
|
| 2014 |
OUTLAW 90 |
A14KA09AD/AF |
CHASSIS, FRAME |
|
| 2014 |
PHOENIX 200 |
A14PB20AF |
CHASSIS, FRAME |
|
| 2014 |
PHOENIX 200 |
A14PB20AF |
CHASSIS, REAR SWING ARM |
|
| 2014 |
OUTLAW 90 |
A14KA09AD/AF |
STEERING, STEERING POST AND TIE ROD ASM. |
|
| 2014 |
PHOENIX 200 |
A14PB20AF |
STEERING, STEERING POST AND TIE RODS |
|
| 2014 |
PHOENIX 200 |
A14PB20AF |
STEERING, STEERING POST AND TIE RODS |
|
| 2014 |
SPORTSMAN 90 |
A14FA09AA |
CHASSIS, FRAME |
|
| 2014 |
SPORTSMAN 90 |
A14FA09AA |
STEERING, STEERING POST AND TIE ROD ASM. |
|
| 2013 |
OUTLAW 50 |
A13KA05AD/AF |
CHASSIS, FRAME AND SWING ARM |
|
| 2013 |
OUTLAW 50 |
A13KA05AD/AF |
CHASSIS, FRAME AND SWING ARM |
|
| 2013 |
OUTLAW 90 |
A13KA09AD/AF |
CHASSIS, FRAME |
|
| 2013 |
PHOENIX 200 |
A13PB20AF |
CHASSIS, FRAME |
|
| 2013 |
PHOENIX 200 |
A13PB20AF |
CHASSIS, REAR SWING ARM |
|
| 2013 |
OUTLAW 90 |
A13KA09AD/AF |
STEERING, STEERING POST AND TIE ROD ASM. |
|
| 2013 |
PHOENIX 200 |
A13PB20AF |
STEERING, STEERING POST AND TIE RODS |
|
| 2013 |
PHOENIX 200 |
A13PB20AF |
STEERING, STEERING POST AND TIE RODS |
|
| 2013 |
SPORTSMAN 90 |
A13FA09AA |
CHASSIS, FRAME |
|
| 2013 |
SPORTSMAN 90 |
A13FA09AA |
STEERING, STEERING POST AND TIE ROD ASM. |
|
| 2012 |
OUTLAW 50 |
A12KA05AD/AF |
CHASSIS, FRAME AND SWING ARM |
|
| 2012 |
OUTLAW 50 |
A12KA05AD/AF |
CHASSIS, FRAME AND SWING ARM |
|
| 2012 |
OUTLAW 90 |
A12KA09AD/AF |
CHASSIS, FRAME |
|
| 2012 |
PHOENIX 200 |
A12PB20AF |
CHASSIS, FRAME |
|
| 2012 |
PHOENIX 200 |
A12PB20AF |
CHASSIS, REAR SWING ARM |
|
| 2012 |
OUTLAW 90 |
A12KA09AD/AF |
STEERING, STEERING POST AND TIE ROD ASM. |
|
| 2012 |
PHOENIX 200 |
A12PB20AF |
STEERING, STEERING POST AND TIE RODS |
|
| 2012 |
PHOENIX 200 |
A12PB20AF |
STEERING, STEERING POST AND TIE RODS |
|
| 2012 |
SPORTSMAN 90 |
A12FA09AA |
CHASSIS, FRAME |
|
| 2012 |
SPORTSMAN 90 |
A12FA09AA |
STEERING, STEERING POST AND TIE ROD ASM. |
|
| 2011 |
OUTLAW 50 |
A11KA05AB/AD |
CHASSIS, FRAME AND SWING ARM |
|
| 2011 |
OUTLAW 50 |
A11KA05AB/AD |
CHASSIS, FRAME AND SWING ARM |
|
| 2011 |
OUTLAW 90 |
A11KA09AB/AD |
CHASSIS, FRAME |
|
| 2011 |
OUTLAW 90 |
A11KA09AB/AD |
STEERING, STEERING POST AND TIE ROD ASM. |
|
| 2011 |
PHOENIX 200 |
A11PB20AB |
CHASSIS, FRAME |
|
| 2011 |
PHOENIX 200 |
A11PB20AB |
CHASSIS, REAR SWING ARM |
|
| 2011 |
PHOENIX 200 |
A11PB20AB |
STEERING, STEERING POST AND TIE RODS |
|
| 2011 |
PHOENIX 200 |
A11PB20AB |
STEERING, STEERING POST AND TIE RODS |
|
| 2011 |
SPORTSMAN 90 |
A11FA09AA |
CHASSIS, FRAME |
|
| 2011 |
SPORTSMAN 90 |
A11FA09AA |
STEERING, STEERING POST AND TIE ROD ASM. |
|
| 2010 |
OUTLAW 50 |
A10KA05AB/AD |
CHASSIS, FRAME AND SWING ARM |
|
| 2010 |
OUTLAW 50 |
A10KA05AB/AD |
CHASSIS, FRAME AND SWING ARM |
|
| 2010 |
OUTLAW 50 INTL |
A10KA05FA/FB/FD |
CHASSIS, FRAME AND SWING ARM |
|
| 2010 |
OUTLAW 50 INTL |
A10KA05FA/FB/FD |
CHASSIS, FRAME AND SWING ARM |
|
| 2010 |
OUTLAW 90 |
A10KA09AB/AD |
CHASSIS, FRAME |
|
| 2010 |
OUTLAW 90 |
A10KA09AB/AD |
STEERING, STEERING POST AND TIE ROD ASM. |
|
| 2010 |
PHOENIX 200 |
A10PB20AB/AD |
CHASSIS, FRAME |
|
| 2010 |
PHOENIX 200 |
A10PB20AB/AD |
CHASSIS, REAR SWING ARM |
|
| 2010 |
PHOENIX 200 QUAD |
A10PB20EB |
CHASSIS, FRAME |
|
| 2010 |
PHOENIX 200 QUAD |
A10PB20EB |
CHASSIS, FRAME |
|
| 2010 |
PHOENIX 200 QUAD |
A10PB20EB |
CHASSIS, REAR SWING ARM |
|
| 2010 |
PHOENIX 200 |
A10PB20AB/AD |
STEERING, STEERING POST AND TIE RODS |
|
| 2010 |
PHOENIX 200 |
A10PB20AB/AD |
STEERING, STEERING POST AND TIE RODS |
|
| 2010 |
PHOENIX 200 QUAD |
A10PB20EB |
STEERING, STEERING POST AND TIE RODS |
|
| 2010 |
PHOENIX 200 QUAD |
A10PB20EB |
STEERING, STEERING POST AND TIE RODS |
|
| 2010 |
SPORTSMAN 90 |
A10FA09AA/AB |
CHASSIS, FRAME |
|
| 2010 |
SPORTSMAN 90 |
A10FA09AA/AB |
STEERING, STEERING POST AND TIE ROD ASM. |
|
| 2021 |
RZR 170 (R02) |
Z21YAV17B2/B4/N2/N4 |
REFERENCES, MANUAL AND SETUP INFORMATION |
|
| 2021 |
RZR 170 (R02) |
Z21YAV17B2/B4/N2/N4 |
WHEELS, FRONT |
|
| 2021 |
RZR 170 (R02) |
Z21YAV17B2/B4/N2/N4 |
WHEELS, REAR |
|
| 2020 |
RZR 170 (R02) |
Z20YAV17B2/B4/N2/N4/A2/A4 |
REFERENCES, MANUAL AND SETUP INFORMATION |
|
| 2020 |
RZR 170 (R02) |
Z20YAV17B2/B4/N2/N4/A2/A4 |
WHEELS, FRONT |
|
| 2020 |
RZR 170 (R02) |
Z20YAV17B2/B4/N2/N4/A2/A4 |
WHEELS, REAR |
|
| 2019 |
RZR 170 (R05) |
Z19YAV17B2/B4/N2/N4 |
REFERENCES, MANUAL AND SETUP INFORMATION |
|
| 2019 |
RZR 170 (R05) |
Z19YAV17B2/B4/N2/N4 |
WHEELS, FRONT |
|
| 2019 |
RZR 170 (R05) |
Z19YAV17B2/B4/N2/N4 |
WHEELS, REAR |
|
| 2018 |
RZR 170 (R06) |
Z18YAV17B2/B8/N2/N8 |
REFERENCES, MANUAL AND SETUP INFORMATION |
|
| 2018 |
RZR 170 (R06) |
Z18YAV17B2/B8/N2/N8 |
WHEELS, FRONT |
|
| 2018 |
RZR 170 (R06) |
Z18YAV17B2/B8/N2/N8 |
WHEELS, REAR |
|
| 2017 |
RZR 170 (R10) |
Z17YAV17A2/A5/N2/N5 |
REFERENCES, MANUAL AND SETUP INFORMATION |
|
| 2017 |
RZR 170 (R10) |
Z17YAV17A2/A5/N2/N5 |
WHEELS, FRONT |
|
| 2017 |
RZR 170 (R10) |
Z17YAV17A2/A5/N2/N5 |
WHEELS, REAR |
|
| 2016 |
RZR 170 (R05) |
Z16YAV17AB/AF/CAB/CAF |
REFERENCES, MANUAL AND SETUP INFORMATION |
|
| 2016 |
RZR 170 (R05) |
Z16YAV17AB/AF/CAB/CAF |
WHEELS, FRONT |
|
| 2016 |
RZR 170 (R05) |
Z16YAV17AB/AF/CAB/CAF |
WHEELS, REAR |
|
| 2015 |
RZR 170 |
R15YAV17AA/AF/BA/BF |
REFERENCES, MANUAL AND SETUP INFORMATION |
|
| 2015 |
RZR 170 |
R15YAV17AA/AF/BA/BF |
WHEELS, FRONT |
|
| 2015 |
RZR 170 |
R15YAV17AA/AF/BA/BF |
WHEELS, REAR |
|
| 2014 |
RZR 170 |
R14VA17AA/AF |
REFERENCES, MANUAL AND SETUP INFORMATION |
|
| 2014 |
RZR 170 |
R14VA17AA/AF |
WHEELS, FRONT |
|
| 2014 |
RZR 170 |
R14VA17AA/AF |
WHEELS, REAR |
|
| 2013 |
RZR 170 |
R13VA17AA/AB |
REFERENCES, MANUAL AND SETUP INFORMATION |
|
| 2013 |
RZR 170 |
R13VA17AA/AB |
WHEELS, FRONT |
|
| 2013 |
RZR 170 |
R13VA17AA/AB |
WHEELS, REAR |
|
| 2012 |
RZR 170 |
R12VA17AA/AC |
REFERENCES, MANUAL AND SETUP INFORMATION |
|
| 2012 |
RZR 170 |
R12VA17AA/AC |
WHEELS, FRONT |
|
| 2012 |
RZR 170 |
R12VA17AA/AC |
WHEELS, REAR |
|
| 2011 |
RZR 170 |
R11VA17AA |
WHEELS, FRONT |
|
| 2011 |
RZR 170 |
R11VA17AA |
WHEELS, REAR |
|
| 2010 |
RZR 170 |
A10VA17AA/AD |
WHEELS, FRONT |
|
| 2010 |
RZR 170 |
A10VA17AA/AD |
WHEELS, REAR |
|
| 2009 |
OUTLAW 50 |
A09KA05AB/AD |
CHASSIS, FRAME AND SWING ARM |
|
| 2009 |
OUTLAW 50 |
A09KA05AB/AD |
CHASSIS, FRAME AND SWING ARM |
|
| 2009 |
OUTLAW 90 |
A09KA09AB/AD |
STEERING, STEERING POST AND TIE ROD ASM. |
|
| 2009 |
SPORTSMAN 90 |
A09FA09AA/AB |
STEERING, STEERING POST AND TIE ROD ASM. |
|
| 2009 |
SPORTSMAN 90 |
A09FA09AA/AB |
STEERING, STEERING POST AND TIE ROD ASM. |
|
| 2008 |
OUTLAW 50 |
A08KA05AB/AD |
CHASSIS, FRAME AND SWING ARM |
|
| 2008 |
OUTLAW 50 |
A08KA05AB/AD |
CHASSIS, FRAME AND SWING ARM |
|
| 2007 |
PREDATOR 50 |
A07KA05CA/CB/CD |
FRAME BODY/SWING ARM |
|
| 2007 |
PREDATOR 50 |
A07KA05CA/CB/CD |
FRAME BODY/SWING ARM |
|
| 2009 |
RZR 170 |
A09VA17AA/AD |
WHEELS, FRONT |
|
| 2023 |
OUTLAW 110/110 MD (R02) |
A23YAK11B6/B7/N6/N7 |
CHASSIS, FRAME |
|
| 2023 |
OUTLAW 110/110 MD (R02) |
A23YAK11B6/B7/N6/N7 |
STEERING, STEERING POST AND TIE ROD ASM. |
|
| 2023 |
PHOENIX 200/200 MD (R01) |
A23YAP20A4/N4 |
CHASSIS, FRAME |
|
| 2023 |
PHOENIX 200/200 MD (R01) |
A23YAP20A4/N4 |
CHASSIS, REAR SWING ARM |
|
| 2023 |
PHOENIX 200/200 MD (R01) |
A23YAP20A4/N4 |
STEERING, STEERING POST AND TIE RODS |
|
| 2023 |
PHOENIX 200/200 MD (R01) |
A23YAP20A4/N4 |
STEERING, STEERING POST AND TIE RODS |
|
| 2023 |
PHOENIX 200/200 MD (R01) |
A23YAP20A4/N4 |
STEERING, STEERING POST AND TIE RODS |
|
| 2023 |
PHOENIX 200/200 MD (R01) |
A23YAP20A4/N4 |
STEERING, STEERING POST AND TIE RODS |
|
| 2023 |
SPORTSMAN 110/110 MD (R01) |
A23YAF11B5/N5 |
CHASSIS, FRAME |
|
| 2023 |
SPORTSMAN 110/110 MD (R01) |
A23YAF11B5/N5 |
STEERING, STEERING POST AND TIE ROD ASM. |
|
| 2024 |
OUTLAW 110/110 MD (R01) |
A24YAK11B1/B5/N1/N5 |
CHASSIS, FRAME |
|
| 2024 |
OUTLAW 110/110 MD (R01) |
A24YAK11B1/B5/N1/N5 |
STEERING, STEERING POST AND TIE ROD ASM. |
|
| 2024 |
PHOENIX 200/200 MD (R01) |
A24YAP20A4/N4 |
CHASSIS, FRAME |
|
| 2024 |
PHOENIX 200/200 MD (R01) |
A24YAP20A4/N4 |
CHASSIS, REAR SWING ARM |
|
| 2024 |
PHOENIX 200/200 MD (R01) |
A24YAP20A4/N4 |
STEERING, STEERING POST AND TIE RODS |
|
| 2024 |
PHOENIX 200/200 MD (R01) |
A24YAP20A4/N4 |
STEERING, STEERING POST AND TIE RODS |
|
| 2024 |
PHOENIX 200/200 MD (R01) |
A24YAP20A4/N4 |
STEERING, STEERING POST AND TIE RODS |
|
| 2024 |
PHOENIX 200/200 MD (R01) |
A24YAP20A4/N4 |
STEERING, STEERING POST AND TIE RODS |
|
| 2024 |
SPORTSMAN 110/110 MD (R02) |
A24YAF11B5/N5 |
CHASSIS, FRAME |
|
| 2024 |
SPORTSMAN 110/110 MD (R02) |
A24YAF11B5/N5 |
STEERING, STEERING POST AND TIE ROD ASM. |
|
| 2025 |
OUTLAW 110 (R01) |
A25YKA11B1/B5 |
CHASSIS, FRAME |
|
| 2025 |
OUTLAW 110 (R01) |
A25YKA11B1/B5 |
STEERING, STEERING POST AND TIE ROD ASM. |
|
| 2025 |
PHOENIX 200 (R01) |
A25YPA20A4 |
CHASSIS, FRAME |
|
| 2025 |
PHOENIX 200 (R01) |
A25YPA20A4 |
CHASSIS, REAR SWING ARM |
|
| 2025 |
PHOENIX 200 (R01) |
A25YPA20A4 |
STEERING, STEERING POST AND TIE RODS |
|
| 2025 |
PHOENIX 200 (R01) |
A25YPA20A4 |
STEERING, STEERING POST AND TIE RODS |
|
| 2025 |
PHOENIX 200 (R01) |
A25YPA20A4 |
STEERING, STEERING POST AND TIE RODS |
|
| 2025 |
PHOENIX 200 (R01) |
A25YPA20A4 |
STEERING, STEERING POST AND TIE RODS |
|
| 2025 |
SPORTSMAN 110 (R01) |
A25YFA11B5 |
CHASSIS, FRAME |
|
| 2025 |
SPORTSMAN 110 (R01) |
A25YFA11B5 |
STEERING, STEERING POST AND TIE ROD ASM. |
|
| 2024 |
INTL OUTLAW 110 MD (R01) |
A24YAK11N1/N5 |
CHASSIS, FRAME |
|
| 2024 |
INTL PHOENIX 200 MD (R01) |
A24YAP20AN4 |
CHASSIS, FRAME |
|
| 2024 |
INTL PHOENIX 200 MD (R01) |
A24YAP20AN4 |
CHASSIS, REAR SWING ARM |
|
| 2024 |
INTL OUTLAW 110 MD (R01) |
A24YAK11N1/N5 |
STEERING, STEERING POST AND TIE ROD ASM. |
|
| 2024 |
INTL PHOENIX 200 MD (R01) |
A24YAP20AN4 |
STEERING, STEERING POST AND TIE RODS |
|
| 2024 |
INTL PHOENIX 200 MD (R01) |
A24YAP20AN4 |
STEERING, STEERING POST AND TIE RODS |
|
| 2024 |
INTL PHOENIX 200 MD (R01) |
A24YAP20AN4 |
STEERING, STEERING POST AND TIE RODS |
|
| 2024 |
INTL PHOENIX 200 MD (R01) |
A24YAP20AN4 |
STEERING, STEERING POST AND TIE RODS |
|
| 2024 |
INTL SPORTSMAN 110 MD (R01) |
A24YAF11N5 |
CHASSIS, FRAME |
|
| 2024 |
INTL SPORTSMAN 110 MD (R01) |
A24YAF11N5 |
STEERING, STEERING POST AND TIE ROD ASM. |
|
| 2024 |
OUTLAW 110 (R02) |
A24YAK11B1/B5 |
CHASSIS, FRAME |
|
| 2024 |
OUTLAW 110 (R02) |
A24YAK11B1/B5 |
STEERING, STEERING POST AND TIE ROD ASM. |
|
| 2024 |
PHOENIX 200 (R02) |
A24YAP20A4 |
CHASSIS, FRAME |
|
| 2024 |
PHOENIX 200 (R02) |
A24YAP20A4 |
CHASSIS, REAR SWING ARM |
|
| 2024 |
SPORTSMAN 110 (R02) |
A24YAF11B5 |
CHASSIS, FRAME |
|
| 2024 |
PHOENIX 200 (R02) |
A24YAP20A4 |
STEERING, STEERING POST AND TIE RODS |
|
| 2024 |
PHOENIX 200 (R02) |
A24YAP20A4 |
STEERING, STEERING POST AND TIE RODS |
|
| 2024 |
PHOENIX 200 (R02) |
A24YAP20A4 |
STEERING, STEERING POST AND TIE RODS |
|
| 2024 |
PHOENIX 200 (R02) |
A24YAP20A4 |
STEERING, STEERING POST AND TIE RODS |
|
| 2024 |
SPORTSMAN 110 (R02) |
A24YAF11B5 |
STEERING, STEERING POST AND TIE ROD ASM. |
|
| 2026 |
INTL OUTLAW 110 MD R02 |
A26YKA11N1/N7 |
CHASSIS, FRAME |
|
| 2026 |
INTL PHOENIX 200 MD R01 |
A26YPA20AN4 |
CHASSIS, FRAME |
|
| 2026 |
INTL PHOENIX 200 MD R01 |
A26YPA20AN4 |
CHASSIS, REAR SWING ARM |
|
| 2026 |
INTL OUTLAW 110 MD R02 |
A26YKA11N1/N7 |
STEERING, STEERING POST AND TIE ROD ASM. |
|
| 2026 |
INTL PHOENIX 200 MD R01 |
A26YPA20AN4 |
STEERING, STEERING POST AND TIE RODS |
|
| 2026 |
INTL PHOENIX 200 MD R01 |
A26YPA20AN4 |
STEERING, STEERING POST AND TIE RODS |
|
| 2026 |
INTL PHOENIX 200 MD R01 |
A26YPA20AN4 |
STEERING, STEERING POST AND TIE RODS |
|
| 2026 |
INTL PHOENIX 200 MD R01 |
A26YPA20AN4 |
STEERING, STEERING POST AND TIE RODS |
|
| 2026 |
INTL SPORTSMAN 110 MD R01 |
A26YFA11N5 |
CHASSIS, FRAME |
|
| 2026 |
INTL SPORTSMAN 110 MD R01 |
A26YFA11N5 |
STEERING, STEERING POST AND TIE ROD ASM. |
|
| 2026 |
OUTLAW 110 R02 |
A26YKA11B1/B7 |
CHASSIS, FRAME |
|
| 2026 |
OUTLAW 110 R02 |
A26YKA11B1/B7 |
STEERING, STEERING POST AND TIE ROD ASM. |
|
| 2026 |
PHOENIX 200 R01 |
A26YPA20A4 |
CHASSIS, FRAME |
|
| 2026 |
PHOENIX 200 R01 |
A26YPA20A4 |
CHASSIS, REAR SWING ARM |
|
| 2026 |
PHOENIX 200 R01 |
A26YPA20A4 |
STEERING, STEERING POST AND TIE RODS |
|
| 2026 |
PHOENIX 200 R01 |
A26YPA20A4 |
STEERING, STEERING POST AND TIE RODS |
|
| 2026 |
PHOENIX 200 R01 |
A26YPA20A4 |
STEERING, STEERING POST AND TIE RODS |
|
| 2026 |
PHOENIX 200 R01 |
A26YPA20A4 |
STEERING, STEERING POST AND TIE RODS |
|
| 2026 |
SPORTSMAN 110 R01 |
A26YFA11B5 |
CHASSIS, FRAME |
|
| 2026 |
SPORTSMAN 110 R01 |
A26YFA11B5 |
STEERING, STEERING POST AND TIE ROD ASM. |