0
Contatos
Polaris
Diagramas de Peças Polaris
Preços Veículos Polaris
Oleos Polaris
Consumiveis Polaris
Acessórios Polaris
Configurador Acessórios Polaris
Acessórios Polaris Mais Requisitados
Consumiveis
Loja Online
Promoções Fim de Semana
Alargadores Espaçadores
Baterias Motos e SSV
Capacetes
Correias Variador
Escapes ATV / SSV
Ferramenta tools Diagnóstico
Filtros de Ar
Filtros de Oleo
Guinchos
Jantes ATV e SSV
Malas e Baus
Merchandising Boutique
Oleos Lubrificantes
Optimate Acessórios
Optimate Optimizadores de Bateria
Pastilhas de Travão Travagem
Pinhons Cremalheiras Correntes
Proteções Bumpers
Rolamentos Roda
Transmissões Foles Homocinéticas
Variadores Acessórios
Velas e Cachimbos
Encomendas-Faturas
Minhas Encomendas
Faturas Emitidas
Peças Pendentes
Viaturas
Localizar Número Chassis
Modelos 2021
Modelos 2022
Modelos 2023
Modelos 2024
Modelos 2025
Modelos 2026
Cesto
0
Benvindo : Sair
<< Voltar
Polaris SCRAMBLER 4X4 1995
W957840
A-ARM/STRUT MOUNTING
Ver Peças/Preços/Stock
AIR BOX ASSEMBLY SCRAMBLER W957840 (4927252725B001)
Ver Peças/Preços/Stock
CARBURETOR SCRAMBLER W957840 (4927252725D003)
Ver Peças/Preços/Stock
CENTER TIGHTENER ASSEMBLY SCRAMBLER W957840 (4927252725B013)
Ver Peças/Preços/Stock
CLUTCH COVER ASSEMBLY SCRAMBLER W957840 (4927252725C006)
Ver Peças/Preços/Stock
CONTROL PANEL ASSEMBLY SCRAMBLER W957840 (4927252725A014)
Ver Peças/Preços/Stock
CONTROLS
Ver Peças/Preços/Stock
CONTROLS
Ver Peças/Preços/Stock
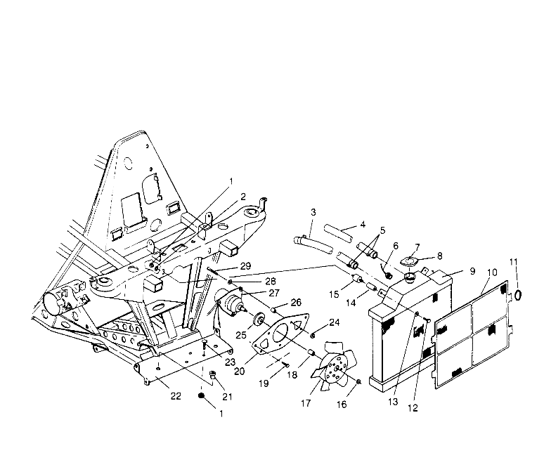
COOLING SYSTEM SCRAMBLER W957840 (4927252725A010)
Ver Peças/Preços/Stock
CRANKCASE AND CYLINDER SCRAMBLER W957840 (4927252725C013)
Ver Peças/Preços/Stock
CV JOINT
Ver Peças/Preços/Stock
CV JOINT
Ver Peças/Preços/Stock
DECALS SCRAMBLER W957840 (4927252725A008)
Ver Peças/Preços/Stock
DRIVE CLUTCH ASSEMBLY SCRAMBLER W957840 (4927252725C001)
Ver Peças/Preços/Stock
DRIVEN CLUTCH ASSEMBLY SCRAMBLER W957840 (4927252725C002)
Ver Peças/Preços/Stock
ELECTRICAL/TAILLIGHT ASSEMBLY SCRAMBLER W957840 (4927252725C007)
Ver Peças/Preços/Stock
ENGINE MOUNTING SCRAMBLER W957840 (4927252725A009)
Ver Peças/Preços/Stock
EXHAUST SYSTEM SCRAMBLER W957840 (4927252725A011)
Ver Peças/Preços/Stock
FOX SHOCK, GAS, RESEVOIR SCRAMBLER W957840 (4927252725D007)
Ver Peças/Preços/Stock
FRONT BRAKE ASSEMBLY SCRAMBLER W957840 (4927252725B007)
Ver Peças/Preços/Stock
FRONT BUMPER AND SHIELDS SCRAMBLER W957840 (4927252725A007)
Ver Peças/Preços/Stock
FRONT CAB ASSEMBLY SCRAMBLER W957840 (4927252725A005)
Ver Peças/Preços/Stock
FRONT DRIVE ASSEMBLY SCRAMBLER W957840 (4927252725B002)
Ver Peças/Preços/Stock
FRONT STRUT ASSEMBLY SCRAMBLER W957840 (4927252725B005)
Ver Peças/Preços/Stock
FRONT TIGHTENER ASSEMBLY SCRAMBLER W957840 (4927252725B003)
Ver Peças/Preços/Stock
FRONT WHEEL ASSEMBLY SCRAMBLER W957840 (4927252725B006)
Ver Peças/Preços/Stock
FUEL TANK ASSEMBLY SCRAMBLER W957840 (4927252725A012)
Ver Peças/Preços/Stock
GEAR SELECTOR ASSEMBLY SCRAMBLER W957840 (4927252725C008)
Ver Peças/Preços/Stock
GEARCASE SCRAMBLER W957840 (4927252725C009)
Ver Peças/Preços/Stock
GEARCASE/BRAKE AND CHAIN COVER MOUNTING SCRAMBLER W957840 (4927252725C003)
Ver Peças/Preços/Stock
HANDLEBAR/HEADLIGHT ASSEMBLY SCRAMBLER W957840 (4927252725B008)
Ver Peças/Preços/Stock
MAGNETO ASSEMBLY SCRAMBLER W957840 (4927252725D006)
Ver Peças/Preços/Stock
OIL PUMP SCRAMBLER W957840 (4927252725D002)
Ver Peças/Preços/Stock
OIL TANK ASSEMBLY SCRAMBLER W957840 (4927252725A013)
Ver Peças/Preços/Stock
PISTON AND CRANKSHAFT SCRAMBLER W957840 (4927252725C012)
Ver Peças/Preços/Stock
REAR BRAKE ASSEMBLY SCRAMBLER W957840 (4927252725C004)
Ver Peças/Preços/Stock
REAR CAB ASSEMBLY SCRAMBLER W957840 (4927252725A006)
Ver Peças/Preços/Stock
REAR WHEEL DRIVE SCRAMBLER W957840 (4927252725C005)
Ver Peças/Preços/Stock
RECOIL STARTER SCRAMBLER W957840 (4927252725D004)
Ver Peças/Preços/Stock
SHOCK VALVING SCRAMBLER W957840 (4927252725D008)
Ver Peças/Preços/Stock
STARTING MOTOR SCRAMBLER W957840 (4927252725D005)
Ver Peças/Preços/Stock
STEERING POST ASSEMBLY SCRAMBLER W957840 (4927252725B009)
Ver Peças/Preços/Stock
SWING ARM/SHOCK MOUNTING SCRAMBLER W957840 (4927252725B014)
Ver Peças/Preços/Stock
TOOL KIT ASSEMBLY SCRAMBLER W957840 (4927252725C011)
Ver Peças/Preços/Stock
WATER PUMP SCRAMBLER W957840 (4927252725D001)
Ver Peças/Preços/Stock