0
Contatos
Polaris
Diagramas de Peças Polaris
Preços Veículos Polaris
Oleos Polaris
Consumiveis Polaris
Acessórios Polaris
Configurador Acessórios Polaris
Acessórios Polaris Mais Requisitados
Consumiveis
Loja Online
Promoções Fim de Semana
Alargadores Espaçadores
Baterias Motos e SSV
Capacetes
Correias Variador
Escapes ATV / SSV
Ferramenta tools Diagnóstico
Filtros de Ar
Filtros de Oleo
Guinchos
Jantes ATV e SSV
Malas e Baus
Merchandising Boutique
Oleos Lubrificantes
Optimate Acessórios
Optimate Optimizadores de Bateria
Pastilhas de Travão Travagem
Pinhons Cremalheiras Correntes
Proteções Bumpers
Rolamentos Roda
Transmissões Foles Homocinéticas
Variadores Acessórios
Velas e Cachimbos
Encomendas-Faturas
Minhas Encomendas
Faturas Emitidas
Peças Pendentes
Viaturas
Localizar Número Chassis
Modelos 2021
Modelos 2022
Modelos 2023
Modelos 2024
Modelos 2025
Modelos 2026
Cesto
0
Benvindo : Sair
<< Voltar
Polaris W948040 1994
W948040
A-ARM/STRUT MOUNTING
Ver Peças/Preços/Stock
AIR BOX ASSEMBLY SPORTSMAN 4X4 W948040 (4926842684A014)
Ver Peças/Preços/Stock
BUMPER/RACK MOUNTING SPORTSMAN 4X4 W948040 (4926842684A007)
Ver Peças/Preços/Stock
CARBURETOR SPORTSMAN 4X4 W948040 (4926842684D002)
Ver Peças/Preços/Stock
CENTER TIGHTENER ASSEMBLY SPORTSMAN 4X4 W948040 (4926842684B012)
Ver Peças/Preços/Stock
CLUTCH COVER ASSEMBLY SPORTSMAN 4X4 W948040 (4926842684B014)
Ver Peças/Preços/Stock
CONTROLS
Ver Peças/Preços/Stock
CONTROLS
Ver Peças/Preços/Stock
COOLING SYSTEM SPORTSMAN 4X4 W948040 (4926842684A009)
Ver Peças/Preços/Stock
CRANKCASE AND CYLINDER SPORTSMAN 4X4 W948040 (4926842684C011)
Ver Peças/Preços/Stock
CV JOINT SPORTSMAN 4X4 W948040 (4926842684B003)
Ver Peças/Preços/Stock
DRIVE CLUTCH ASSEMBLY SPORTSMAN 4X4 W948040 (4926842684C001)
Ver Peças/Preços/Stock
DRIVEN CLUTCH ASSEMBLY SPORTSMAN 4X4 W948040 (4926842684C002)
Ver Peças/Preços/Stock
ELECTRICAL/TAILLIGHT ASSEMBLY SPORTSMAN 4X4 W948040 (4926842684C009)
Ver Peças/Preços/Stock
ENGINE MOUNTING SPORTSMAN 4X4 W948040 (4926842684A008)
Ver Peças/Preços/Stock
EXHAUST SYSTEM SPORTSMAN 4X4 W948040 (4926842684A010)
Ver Peças/Preços/Stock
FAN MOTOR SPORTSMAN 4X4 W948040 (4926842684D006)
Ver Peças/Preços/Stock
FRONT BRAKE ASSEMBLY SPORTSMAN 4X4 W948040 (4926842684B006)
Ver Peças/Preços/Stock
FRONT CAB ASSEMBLY SPORTSMAN 4X4 W948040 (4926842684A005)
Ver Peças/Preços/Stock
FRONT DRIVE ASSEMBLY SPORTSMAN 4X4 W948040 (4926842684B001)
Ver Peças/Preços/Stock
FRONT STRUT ASSEMBLY SPORTSMAN 4X4 W948040 (4926842684B004)
Ver Peças/Preços/Stock
FRONT TIGHTENER ASSEMBLY SPORTSMAN 4X4 W948040 (4926842684B002)
Ver Peças/Preços/Stock
FRONT WHEEL ASSEMBLY SPORTSMAN 4X4 W948040 (4926842684B005)
Ver Peças/Preços/Stock
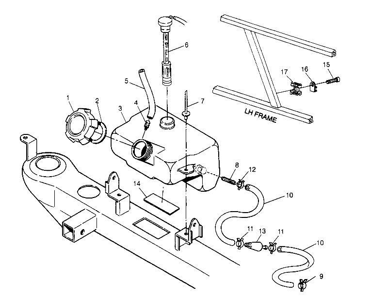
FUEL TANK ASSEMBLY SPORTSMAN 4X4 W948040 (4926842684A011)
Ver Peças/Preços/Stock
GEARCASE ASSEMBLY SPORTSMAN 4X4 W948040 (4926842684C007)
Ver Peças/Preços/Stock
GEARCASE/BRAKE AND CHAIN COVER MOUNTING SPORTSMAN 4X4 W948040 (4926842684C003)
Ver Peças/Preços/Stock
HEADLIGHT SPORTSMAN 4X4 W948040 (4926842684A013)
Ver Peças/Preços/Stock
MAGNETO ASSEMBLY SPORTSMAN 4X4 W948040 (4926842684D005)
Ver Peças/Preços/Stock
OIL PUMP SPORTSMAN 4X4 W948040 (4926842684D001)
Ver Peças/Preços/Stock
OIL TANK ASSEMBLY SPORTSMAN 4X4 W948040 (4926842684A012)
Ver Peças/Preços/Stock
PISTON AND CRANKSHAFT SPORTSMAN 4X4 W948040 (4926842684C013)
Ver Peças/Preços/Stock
REAR BRAKE ASSEMBLY SPORTSMAN 4X4 W948040 (4926842684C004)
Ver Peças/Preços/Stock
REAR CAB ASSEMBLY SPORTSMAN 4X4 W948040 (4926842684A006)
Ver Peças/Preços/Stock
REAR WHEEL DRIVE ASSEMBLY SPORTSMAN 4X4 W948040 (4926842684C005)
Ver Peças/Preços/Stock
RECOIL STARTER SPORTSMAN 4X4 W948040 (4926842684D003)
Ver Peças/Preços/Stock
SHIFT LINKAGE ASSEMBLY SPORTSMAN 4X4 W948040 (4926842684C006)
Ver Peças/Preços/Stock
STARTING MOTOR SPORTSMAN 4X4 W948040 (4926842684D004)
Ver Peças/Preços/Stock
STEERING
Ver Peças/Preços/Stock
STEERING POST ASSEMBLY SPORTSMAN 4X4 W948040 (4926842684B008)
Ver Peças/Preços/Stock
SWING ARM/SHOCK MOUNTING SPORTSMAN 4X4 W948040 (4926842684B013)
Ver Peças/Preços/Stock
TOOL KIT ASSEMBLY SPORTSMAN 4X4 W948040 (4926842684C010)
Ver Peças/Preços/Stock
WATER PUMP SPORTSMAN 4X4 W948040 (4926842684C014)
Ver Peças/Preços/Stock