0
Contatos
Polaris
Diagramas de Peças Polaris
Preços Veículos Polaris
Oleos Polaris
Consumiveis Polaris
Acessórios Polaris
Configurador Acessórios Polaris
Acessórios Polaris Mais Requisitados
Consumiveis
Loja Online
Promoções Fim de Semana
Alargadores Espaçadores
Baterias Motos e SSV
Capacetes
Correias Variador
Escapes ATV / SSV
Ferramenta tools Diagnóstico
Filtros de Ar
Filtros de Oleo
Guinchos
Jantes ATV e SSV
Malas e Baus
Merchandising Boutique
Oleos Lubrificantes
Optimate Acessórios
Optimate Optimizadores de Bateria
Pastilhas de Travão Travagem
Pinhons Cremalheiras Correntes
Proteções Bumpers
Rolamentos Roda
Transmissões Foles Homocinéticas
Variadores Acessórios
Velas e Cachimbos
Encomendas-Faturas
Minhas Encomendas
Faturas Emitidas
Peças Pendentes
Viaturas
Localizar Número Chassis
Modelos 2021
Modelos 2022
Modelos 2023
Modelos 2024
Modelos 2025
Modelos 2026
Cesto
0
Benvindo : Sair
<< Voltar
Polaris 300 2X4 1994
W947530
AIR BOX ASSEMBLY 2X4 300 W947530 (4926742674A014)
Ver Peças/Preços/Stock
BUMPER/RACK MOUNTING 2X4 300 W947530 (4926742674A007)
Ver Peças/Preços/Stock
CARBURETOR 2X4 300 W947530 (4926742674C011)
Ver Peças/Preços/Stock
CLUTCH COVER ASSEMBLY 2X4 300 W947530 (4926742674B012)
Ver Peças/Preços/Stock
CONTROLS
Ver Peças/Preços/Stock
CONTROLS
Ver Peças/Preços/Stock
CRANKCASE AND CYLINDER 2X4 300 W947530 (4926742674C007)
Ver Peças/Preços/Stock
DRIVE CLUTCH ASSEMBLY 2X4 300 W947530 (4926742674B010)
Ver Peças/Preços/Stock
DRIVEN CLUTCH ASSEMBLY 2X4 300 W947530 (4926742674B011)
Ver Peças/Preços/Stock
ELECTRICAL/TAILLIGHT ASSEMBLY 2X4 300 W947530 (4926742674C005)
Ver Peças/Preços/Stock
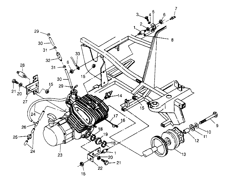
ENGINE MOUNTING 2X4 300 W947530 (4926742674A008)
Ver Peças/Preços/Stock
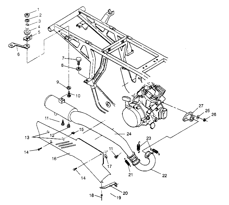
EXHAUST SYSTEM 2X4 300 W947530 (4926742674A009)
Ver Peças/Preços/Stock
FAN ASSEMBLY 2X4 300 W947530 (4926742674A010)
Ver Peças/Preços/Stock
FRONT BRAKE ASSEMBLY 2X4 300 W947530 (4926742674B003)
Ver Peças/Preços/Stock
FRONT CAB ASSEMBLY 2X4 300 W947530 (4926742674A005)
Ver Peças/Preços/Stock
FRONT WHEEL ASSEMBLY 2X4 300 W947530 (4926742674B002)
Ver Peças/Preços/Stock
FUEL TANK ASSEMBLY 2X4 300 W947530 (4926742674A011)
Ver Peças/Preços/Stock
GEARCASE ASSEMBLY 2X4 300 W947530 (4926742674C003)
Ver Peças/Preços/Stock
GEARCASE/BRAKE MOUNTING 2X4 300 W947530 (4926742674B013)
Ver Peças/Preços/Stock
HEADLIGHT ASSEMBLY 2X4 300 W947530 (4926742674A013)
Ver Peças/Preços/Stock
MAGNETO ASSEMBLY 2X4 300 W947530 (4926742674C014)
Ver Peças/Preços/Stock
OIL PUMP 2X4 300 W947530 (4926742674C010)
Ver Peças/Preços/Stock
OIL TANK ASSEMBLY 2X4 300 W947530 (4926742674A012)
Ver Peças/Preços/Stock
PISTON AND CRANKSHAFT 2X4 300 W947530 (4926742674C009)
Ver Peças/Preços/Stock
REAR BRAKE ASSEMBLY 2X4 300 W947530 (4926742674B014)
Ver Peças/Preços/Stock
REAR CAB ASSEMBLY 2X4 300 W947530 (4926742674A006)
Ver Peças/Preços/Stock
REAR WHEEL DRIVE ASSEMBLY 2X4 300 W947530 (4926742674C001)
Ver Peças/Preços/Stock
RECOIL STARTER 2X4 300 W947530 (4926742674C012)
Ver Peças/Preços/Stock
SHIFT LINKAGE ASSEMBLY 2X4 300 W947530 (4926742674C002)
Ver Peças/Preços/Stock
STARTING MOTOR 2X4 300 W947530 (4926742674C013)
Ver Peças/Preços/Stock
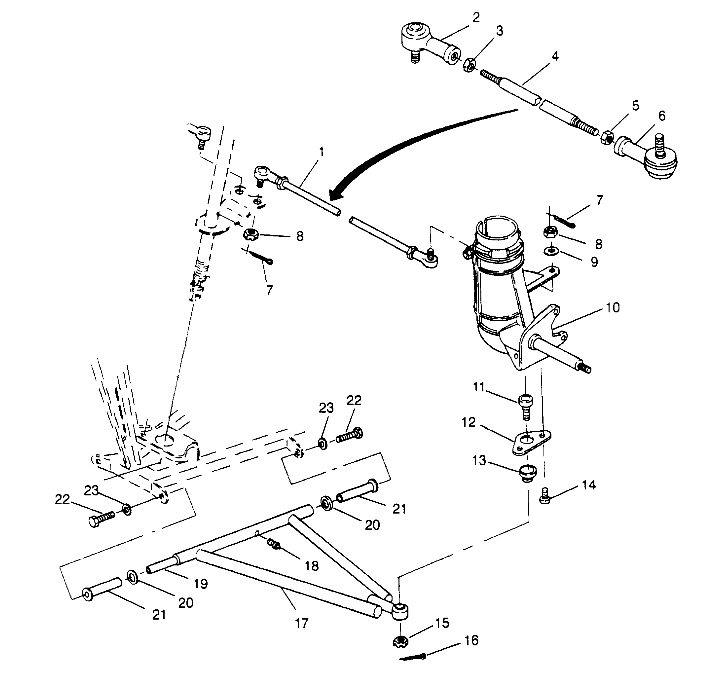
STEERING
Ver Peças/Preços/Stock
STEERING POST ASSEMBLY 2X4 300 W947530 (4926742674B005)
Ver Peças/Preços/Stock
STEERING/A
Ver Peças/Preços/Stock
STRUT ASSEMBLY 2X4 300 W947530 (4926742674B001)
Ver Peças/Preços/Stock
SWING ARM/SHOCK MOUNTING 2X4 300 W947530 (4926742674B009)
Ver Peças/Preços/Stock
TOOL KIT ASSEMBLY 2X4 300 W947530 (4926742674C006)
Ver Peças/Preços/Stock