0
Contatos
Polaris
Diagramas de Peças Polaris
Preços Veículos Polaris
Oleos Polaris
Consumiveis Polaris
Acessórios Polaris
Configurador Acessórios Polaris
Acessórios Polaris Mais Requisitados
Consumiveis
Loja Online
Promoções Fim de Semana
Alargadores Espaçadores
Baterias Motos e SSV
Capacetes
Correias Variador
Escapes ATV / SSV
Ferramenta tools Diagnóstico
Filtros de Ar
Filtros de Oleo
Guinchos
Jantes ATV e SSV
Malas e Baus
Merchandising Boutique
Oleos Lubrificantes
Optimate Acessórios
Optimate Optimizadores de Bateria
Pastilhas de Travão Travagem
Pinhons Cremalheiras Correntes
Proteções Bumpers
Rolamentos Roda
Transmissões Foles Homocinéticas
Variadores Acessórios
Velas e Cachimbos
Encomendas-Faturas
Minhas Encomendas
Faturas Emitidas
Peças Pendentes
Viaturas
Localizar Número Chassis
Modelos 2021
Modelos 2022
Modelos 2023
Modelos 2024
Modelos 2025
Modelos 2026
Cesto
0
Benvindo : Sair
<< Voltar
Polaris RANGER 900 DIESEL 2012
R12TH90DG
BODY, BOX ASM.
Ver Peças/Preços/Stock
BODY, BOX MOUNTING
Ver Peças/Preços/Stock
BODY, CLUTCH COVER AND DUCTING
Ver Peças/Preços/Stock
BODY, DECALS
Ver Peças/Preços/Stock
BODY, FLOOR AND FENDERS
Ver Peças/Preços/Stock
BODY, FUEL TANK ASM.
Ver Peças/Preços/Stock
BODY, GLOVE BOX STORAGE
Ver Peças/Preços/Stock
BODY, HOOD AND FRONT FASCIA
Ver Peças/Preços/Stock
BODY, HOOD LATCH
Ver Peças/Preços/Stock
BODY, SEAT AND BASE
Ver Peças/Preços/Stock
BODY, SIDE NETS
Ver Peças/Preços/Stock
BODY, TAILGATE ASM.
Ver Peças/Preços/Stock
BRAKES, FRONT CALIPER
Ver Peças/Preços/Stock
BRAKES, LINES AND MASTER CYLINDER
Ver Peças/Preços/Stock
BRAKES, PARK BRAKE ASM.
Ver Peças/Preços/Stock
BRAKES, PEDAL AND MASTER CYLINDER MOUNTING
Ver Peças/Preços/Stock
BRAKES, REAR CALIPER
Ver Peças/Preços/Stock
CHASSIS, CAB FRAME
Ver Peças/Preços/Stock
CHASSIS, FRAME AND FRONT BUMPER
Ver Peças/Preços/Stock
DRIVE TRAIN, DRIVE COUPLER AND BELLHOUSING
Ver Peças/Preços/Stock
DRIVE TRAIN, FRONT DRIVE SHAFT
Ver Peças/Preços/Stock
DRIVE TRAIN, FRONT GEARCASE INTERNALS
Ver Peças/Preços/Stock
DRIVE TRAIN, FRONT GEARCASE MOUNTING
Ver Peças/Preços/Stock
DRIVE TRAIN, FRONT PROP SHAFT
Ver Peças/Preços/Stock
DRIVE TRAIN, GEAR SELECTOR
Ver Peças/Preços/Stock
DRIVE TRAIN, MAIN GEARCASE
Ver Peças/Preços/Stock
DRIVE TRAIN, MAIN GEARCASE INTERNALS
Ver Peças/Preços/Stock
DRIVE TRAIN, MAIN GEARCASE SHIFT FORKS
Ver Peças/Preços/Stock
DRIVE TRAIN, PRIMARY CLUTCH
Ver Peças/Preços/Stock
DRIVE TRAIN, REAR DRIVE SHAFT
Ver Peças/Preços/Stock
DRIVE TRAIN, REAR GEARCASE
Ver Peças/Preços/Stock
DRIVE TRAIN, REAR GEARCASE MOUNTING
Ver Peças/Preços/Stock
DRIVE TRAIN, REAR PROP SHAFT
Ver Peças/Preços/Stock
DRIVE TRAIN, SECONDARY CLUTCH
Ver Peças/Preços/Stock
DRIVE TRAIN, TRANSMISSION MOUNTING
Ver Peças/Preços/Stock
ELECTRICAL, BATTERY
Ver Peças/Preços/Stock
ELECTRICAL, DASH INSTRUMENTS AND CONTROLS
Ver Peças/Preços/Stock
ELECTRICAL, HEADLIGHTS, TAILLIGHTS AND BULBS
Ver Peças/Preços/Stock
ELECTRICAL, REGULATOR, RELAYS AND ECU
Ver Peças/Preços/Stock
ELECTRICAL, WIRE HARNESSES
Ver Peças/Preços/Stock
ENGINE, AIR INTAKE
Ver Peças/Preços/Stock
ENGINE, AIR INTAKE DUCTING
Ver Peças/Preços/Stock
ENGINE, ALTERNATOR
Ver Peças/Preços/Stock
ENGINE, CAMSHAFT AND DRIVING GEAR
Ver Peças/Preços/Stock
ENGINE, COOLING SYSTEM
Ver Peças/Preços/Stock
ENGINE, CRANKSHAFT AND PISTON
Ver Peças/Preços/Stock
ENGINE, CYLINDER BLOCK
Ver Peças/Preços/Stock
ENGINE, CYLINDER HEAD AND BONNET
Ver Peças/Preços/Stock
ENGINE, EXHAUST
Ver Peças/Preços/Stock
ENGINE, EXHAUST MANIFOLD
Ver Peças/Preços/Stock
ENGINE, FUEL INJECTION PUMP
Ver Peças/Preços/Stock
ENGINE, FUEL INJECTION VALVE
Ver Peças/Preços/Stock
ENGINE, FUEL LINE
Ver Peças/Preços/Stock
ENGINE, GASKET SET
Ver Peças/Preços/Stock
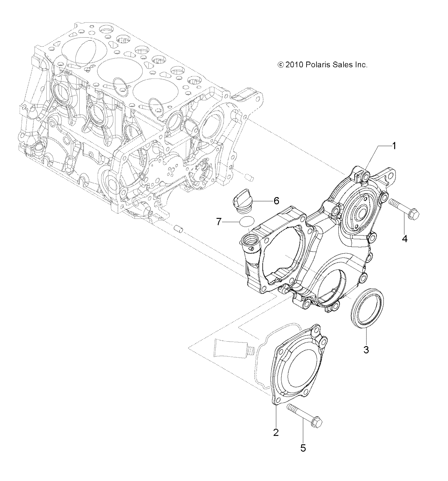
ENGINE, GEAR HOUSING
Ver Peças/Preços/Stock
ENGINE, GOVERNOR
Ver Peças/Preços/Stock
ENGINE, LONG BLOCK
Ver Peças/Preços/Stock
ENGINE, MOUNTING
Ver Peças/Preços/Stock
ENGINE, MOUNTING FLANGE AND OIL SUMP
Ver Peças/Preços/Stock
ENGINE, OIL SYSTEM AND DIPSTICK
Ver Peças/Preços/Stock
ENGINE, STARTING MOTOR
Ver Peças/Preços/Stock
ENGINE, THROTTLE PEDAL
Ver Peças/Preços/Stock
ENGINE, WATER COOLING SYSTEM
Ver Peças/Preços/Stock
REFERENCES, TOOL KIT AND OWNERS MANUALS
Ver Peças/Preços/Stock
STEERING, STEERING ASM.
Ver Peças/Preços/Stock
SUSPENSION, FRONT CONTROL ARMS
Ver Peças/Preços/Stock
SUSPENSION, FRONT SHOCK
Ver Peças/Preços/Stock
SUSPENSION, REAR
Ver Peças/Preços/Stock
SUSPENSION, REAR STABILIZER BAR
Ver Peças/Preços/Stock
WHEELS, FRONT
Ver Peças/Preços/Stock
WHEELS, REAR
Ver Peças/Preços/Stock