0
Contatos
Polaris
Diagramas de Peças Polaris
Preços Veículos Polaris
Oleos Polaris
Consumiveis Polaris
Acessórios Polaris
Configurador Acessórios Polaris
Acessórios Polaris Mais Requisitados
Consumiveis
Loja Online
Promoções Fim de Semana
Alargadores Espaçadores
Baterias Motos e SSV
Capacetes
Correias Variador
Escapes ATV / SSV
Ferramenta tools Diagnóstico
Filtros de Ar
Filtros de Oleo
Guinchos
Jantes ATV e SSV
Malas e Baus
Merchandising Boutique
Oleos Lubrificantes
Optimate Acessórios
Optimate Optimizadores de Bateria
Pastilhas de Travão Travagem
Pinhons Cremalheiras Correntes
Proteções Bumpers
Rolamentos Roda
Transmissões Foles Homocinéticas
Variadores Acessórios
Velas e Cachimbos
Encomendas-Faturas
Minhas Encomendas
Faturas Emitidas
Peças Pendentes
Viaturas
Localizar Número Chassis
Modelos 2021
Modelos 2022
Modelos 2023
Modelos 2024
Modelos 2025
Modelos 2026
Cesto
0
Benvindo : Sair
<< Voltar
Polaris PHOENIX 200 R01 2026
A26YPA20A4
BODY, CAB AND SEAT
Ver Peças/Preços/Stock
BODY, DECALS
Ver Peças/Preços/Stock
BODY, FUEL TANK ASM.
Ver Peças/Preços/Stock
BRAKES, FRONT
Ver Peças/Preços/Stock
BRAKES, REAR
Ver Peças/Preços/Stock
CHASSIS, A-ARM AND FOOTWELL
Ver Peças/Preços/Stock
CHASSIS, BUMPER
Ver Peças/Preços/Stock
CHASSIS, FRAME
Ver Peças/Preços/Stock
CHASSIS, REAR SWING ARM
Ver Peças/Preços/Stock
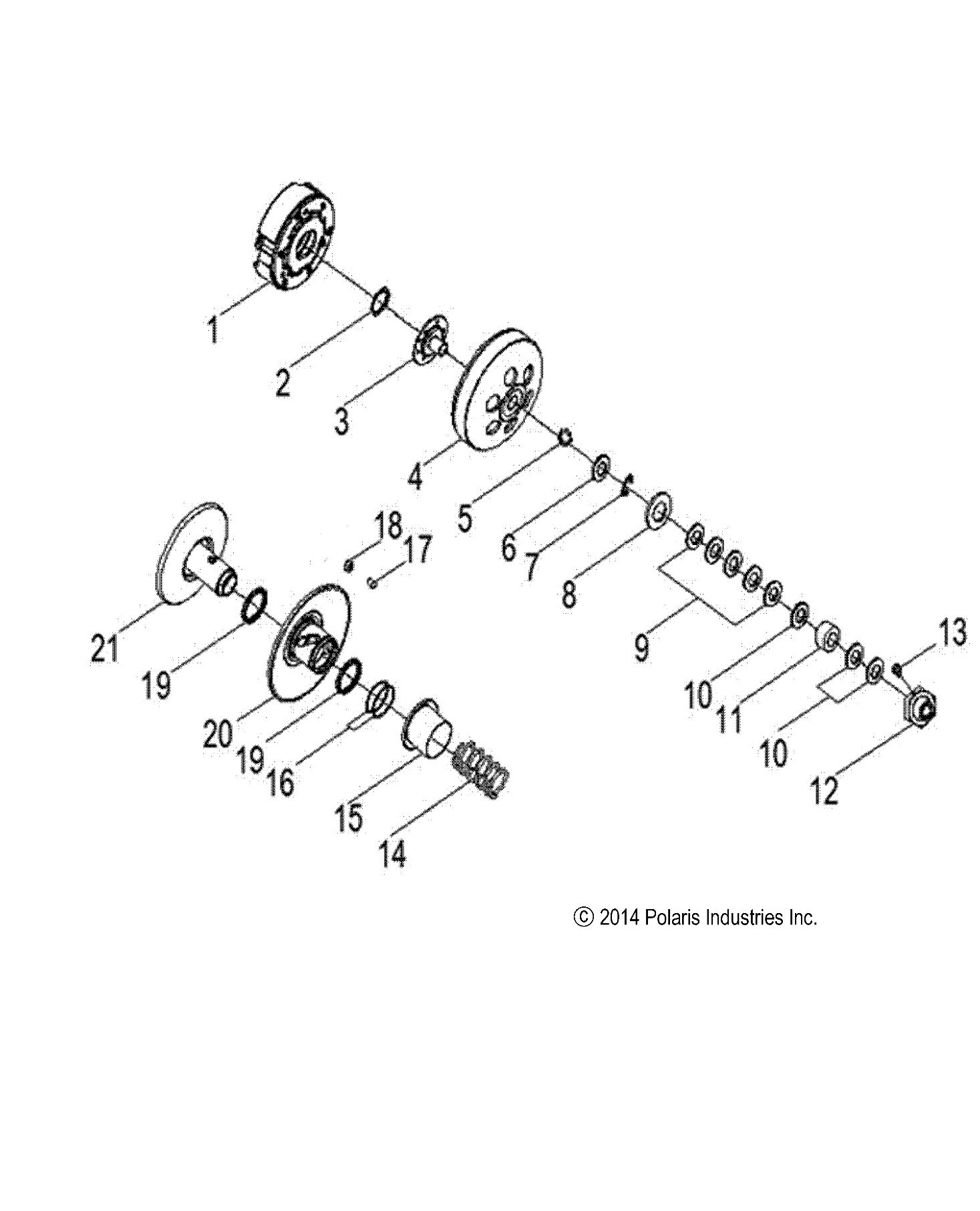
DRIVE TRAIN, PRIMARY CLUTCH
Ver Peças/Preços/Stock
DRIVE TRAIN, REAR DRIVE ASSEMBLY
Ver Peças/Preços/Stock
DRIVE TRAIN, SECONDARY CLUTCH
Ver Peças/Preços/Stock
DRIVE TRAIN, TRANSMISSION
Ver Peças/Preços/Stock
ELECTRICAL PARTS
Ver Peças/Preços/Stock
ELECTRICAL, HEADLIGHT AND TAILLIGHT
Ver Peças/Preços/Stock
ENGINE, AIR INTAKE SYSTEM
Ver Peças/Preços/Stock
ENGINE, CARBURETOR
Ver Peças/Preços/Stock
ENGINE, CRANKCASE
Ver Peças/Preços/Stock
ENGINE, CRANKCASE COVER, LH
Ver Peças/Preços/Stock
ENGINE, CRANKCASE COVER, RH
Ver Peças/Preços/Stock
ENGINE, CRANKSHAFT AND PISTON
Ver Peças/Preços/Stock
ENGINE, CYLINDER HEAD
Ver Peças/Preços/Stock
ENGINE, EXHAUST
Ver Peças/Preços/Stock
ENGINE, GENERATOR AND STARTING MOTOR
Ver Peças/Preços/Stock
ENGINE, VALVE CAM
Ver Peças/Preços/Stock
REFERENCES, OWNERS MANUAL AND SETUP INFORMATION
Ver Peças/Preços/Stock
STEERING, HANDLEBAR
Ver Peças/Preços/Stock
STEERING, STEERING POST AND TIE RODS
Ver Peças/Preços/Stock
SUSPENSION, SHOCKS
Ver Peças/Preços/Stock
WHEELS, FRONT
Ver Peças/Preços/Stock
WHEELS, REAR
Ver Peças/Preços/Stock
WHEELS, REAR AXLE
Ver Peças/Preços/Stock