0
Contatos
Polaris
Diagramas de Peças Polaris
Preços Veículos Polaris
Oleos Polaris
Consumiveis Polaris
Acessórios Polaris
Configurador Acessórios Polaris
Acessórios Polaris Mais Requisitados
Consumiveis
Loja Online
Promoções Fim de Semana
Alargadores Espaçadores
Baterias Motos e SSV
Capacetes
Correias Variador
Escapes ATV / SSV
Ferramenta tools Diagnóstico
Filtros de Ar
Filtros de Oleo
Guinchos
Jantes ATV e SSV
Malas e Baus
Merchandising Boutique
Oleos Lubrificantes
Optimate Acessórios
Optimate Optimizadores de Bateria
Pastilhas de Travão Travagem
Pinhons Cremalheiras Correntes
Proteções Bumpers
Rolamentos Roda
Transmissões Foles Homocinéticas
Variadores Acessórios
Velas e Cachimbos
Encomendas-Faturas
Minhas Encomendas
Faturas Emitidas
Peças Pendentes
Viaturas
Localizar Número Chassis
Modelos 2021
Modelos 2022
Modelos 2023
Modelos 2024
Modelos 2025
Modelos 2026
Cesto
0
Benvindo : Sair
<< Voltar
Polaris TRAIL BOSS 330 2013
A13EA32AA
BODY, CLUTCH COVER
Ver Peças/Preços/Stock
BODY, DECALS
Ver Peças/Preços/Stock
BODY, FRONT CAB AND SIDE PANELS
Ver Peças/Preços/Stock
BODY, FUEL SYSTEM
Ver Peças/Preços/Stock
BODY, REAR CAB AND FOOTWELLS
Ver Peças/Preços/Stock
BODY, SEAT ASM.
Ver Peças/Preços/Stock
BRAKES, BRAKE PEDAL AND REAR MASTER CYLINDER
Ver Peças/Preços/Stock
BRAKES, FRONT BRAKE LEVER AND MASTER CYLINDER
Ver Peças/Preços/Stock
BRAKES, FRONT CALIPER
Ver Peças/Preços/Stock
BRAKES, LINES AND ASSEMBLY
Ver Peças/Preços/Stock
BRAKES, REAR CALIPER
Ver Peças/Preços/Stock
BRAKES, REAR CALIPER MOUNTING
Ver Peças/Preços/Stock
CHASSIS, FRAME, RACKS AND BUMPER
Ver Peças/Preços/Stock
DRIVE TRAIN, GEAR SELECTOR
Ver Peças/Preços/Stock
DRIVE TRAIN, MAIN GEARCASE
Ver Peças/Preços/Stock
DRIVE TRAIN, MAIN GEARCASE MOUNTING
Ver Peças/Preços/Stock
DRIVE TRAIN, PRIMARY CLUTCH
Ver Peças/Preços/Stock
DRIVE TRAIN, REAR AXLE AND HOUSING
Ver Peças/Preços/Stock
DRIVE TRAIN, SECONDARY CLUTCH
Ver Peças/Preços/Stock
ELECTRICAL, BATTERY
Ver Peças/Preços/Stock
ELECTRICAL, GAUGES AND INDICATORS
Ver Peças/Preços/Stock
ELECTRICAL, HEADLIGHTS, TAILIGHTS AND BULBS
Ver Peças/Preços/Stock
ELECTRICAL, IGNITION SYSTEM
Ver Peças/Preços/Stock
ELECTRICAL, SWITCHES AND SENSORS AND CONTROL MODULES
Ver Peças/Preços/Stock
ELECTRICAL, WIRE HARNESS
Ver Peças/Preços/Stock
ENGINE, AIR INTAKE SYSTEM
Ver Peças/Preços/Stock
ENGINE, CARBURETOR BRACKET
Ver Peças/Preços/Stock
ENGINE, CARBURETOR, LOWER
Ver Peças/Preços/Stock
ENGINE, CARBURETOR, UPPER
Ver Peças/Preços/Stock
ENGINE, COOLING SYSTEM
Ver Peças/Preços/Stock
ENGINE, CRANKCASE
Ver Peças/Preços/Stock
ENGINE, CRANKSHAFT AND PISTON
Ver Peças/Preços/Stock
ENGINE, CYLINDER AND HEAD
Ver Peças/Preços/Stock
ENGINE, EXHAUST
Ver Peças/Preços/Stock
ENGINE, FUEL PUMP
Ver Peças/Preços/Stock
ENGINE, MOUNTING
Ver Peças/Preços/Stock
ENGINE, OIL PUMP AND OIL FILTER
Ver Peças/Preços/Stock
ENGINE, RECOIL STARTER
Ver Peças/Preços/Stock
ENGINE, SHORT BLOCK
Ver Peças/Preços/Stock
ENGINE, STARTING SYSTEM
Ver Peças/Preços/Stock
ENGINE, VALVES AND CAMSHAFT
Ver Peças/Preços/Stock
STEERING, CONTROLS AND THROTTLE
Ver Peças/Preços/Stock
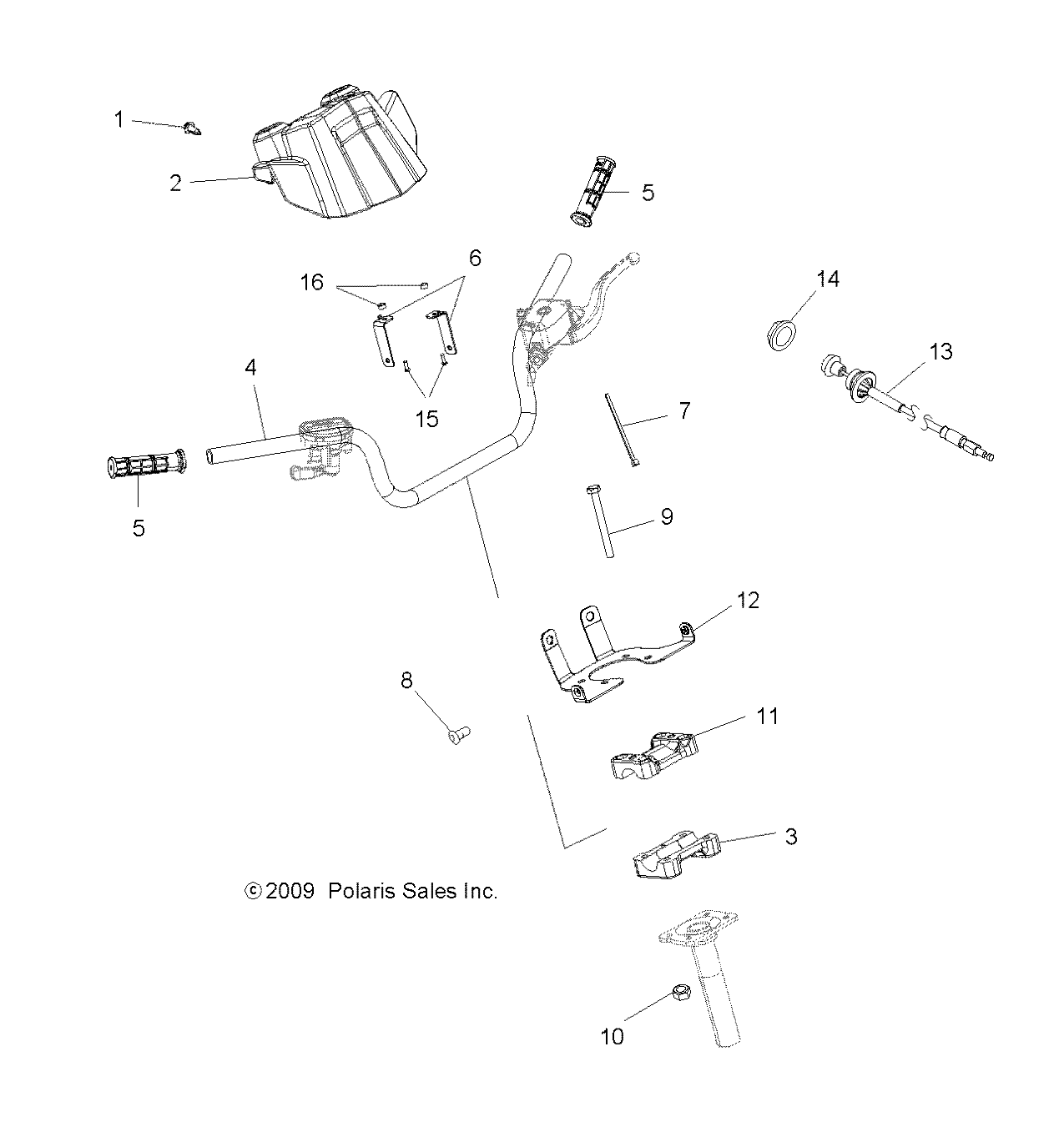
STEERING, HANDLEBAR AND CONTROLS
Ver Peças/Preços/Stock
STEERING, STEERING POST
Ver Peças/Preços/Stock
SUSPENSION, A
Ver Peças/Preços/Stock
SUSPENSION, FRONT STRUT
Ver Peças/Preços/Stock
SUSPENSION, REAR SHOCK
Ver Peças/Preços/Stock
SUSPENSION, SWINGARM
Ver Peças/Preços/Stock
TOOLS, TOOL KIT AND OWNERS MANUAL
Ver Peças/Preços/Stock
WHEELS, FRONT
Ver Peças/Preços/Stock
WHEELS, REAR
Ver Peças/Preços/Stock