0
Contatos
Polaris
Diagramas de Peças Polaris
Preços Veículos Polaris
Oleos Polaris
Consumiveis Polaris
Acessórios Polaris
Configurador Acessórios Polaris
Acessórios Polaris Mais Requisitados
Consumiveis
Loja Online
Promoções Fim de Semana
Alargadores Espaçadores
Baterias Motos e SSV
Capacetes
Correias Variador
Escapes ATV / SSV
Ferramenta tools Diagnóstico
Filtros de Ar
Filtros de Oleo
Guinchos
Jantes ATV e SSV
Malas e Baus
Merchandising Boutique
Oleos Lubrificantes
Optimate Acessórios
Optimate Optimizadores de Bateria
Pastilhas de Travão Travagem
Pinhons Cremalheiras Correntes
Proteções Bumpers
Rolamentos Roda
Transmissões Foles Homocinéticas
Variadores Acessórios
Velas e Cachimbos
Encomendas-Faturas
Minhas Encomendas
Faturas Emitidas
Peças Pendentes
Viaturas
Localizar Número Chassis
Modelos 2021
Modelos 2022
Modelos 2023
Modelos 2024
Modelos 2025
Modelos 2026
Cesto
0
Benvindo : Sair
<< Voltar
Polaris OUTLAW 525 IRS 2011
A11GP52AA
BODY, DECALS
Ver Peças/Preços/Stock
BODY, FRONT CAB AND SIDE PANELS
Ver Peças/Preços/Stock
BODY, FUEL SYSTEM
Ver Peças/Preços/Stock
BODY, REAR CAB AND HEEL POCKET
Ver Peças/Preços/Stock
BODY, SEAT
Ver Peças/Preços/Stock
BRAKES, FRONT ASM.
Ver Peças/Preços/Stock
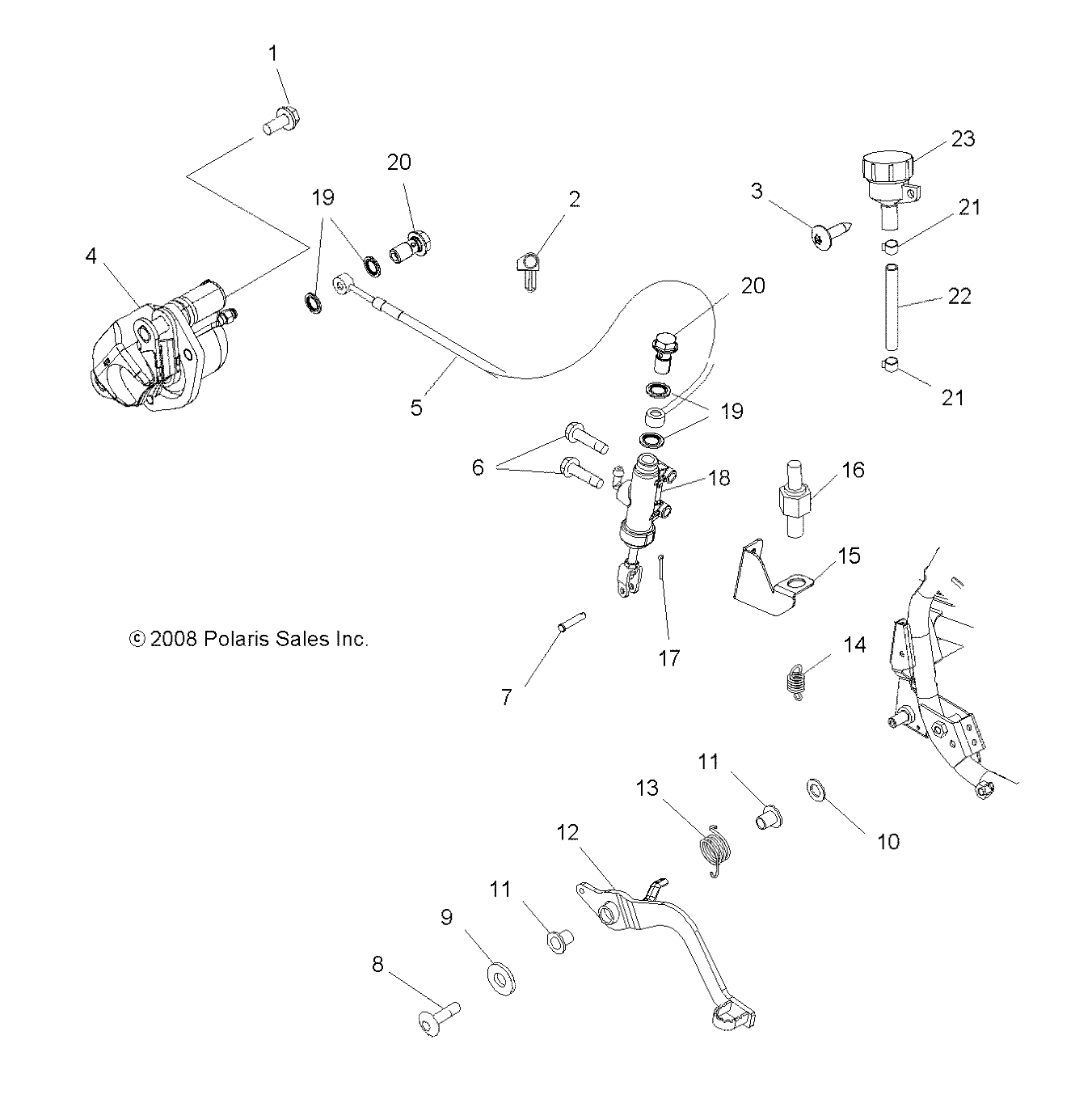
BRAKES, FRONT BRAKE AND MASTER CYLINDER
Ver Peças/Preços/Stock
BRAKES, FRONT CALIPER
Ver Peças/Preços/Stock
BRAKES, REAR BRAKE
Ver Peças/Preços/Stock
BRAKES, REAR CALIPER
Ver Peças/Preços/Stock
CHASSIS, BUMPER AND GRAB BAR
Ver Peças/Preços/Stock
CHASSIS, FRAME
Ver Peças/Preços/Stock
DRIVE TRAIN, BALANCER SHAFT
Ver Peças/Preços/Stock
DRIVE TRAIN, FRONT SPROCKET GUARD
Ver Peças/Preços/Stock
DRIVE TRAIN, REAR DRIVE SHAFT ASM.
Ver Peças/Preços/Stock
DRIVE TRAIN, SHIFTING
Ver Peças/Preços/Stock
DRIVE TRAIN, TRANSMISSION
Ver Peças/Preços/Stock
DRIVE TRAIN, TRANSMISSION 2
Ver Peças/Preços/Stock
ELECTRICAL, BATTERY
Ver Peças/Preços/Stock
ELECTRICAL, HEADLIGHTS AND TAILLIGHTS AND BULBS
Ver Peças/Preços/Stock
ELECTRICAL, IGNITION SYSTEM
Ver Peças/Preços/Stock
ELECTRICAL, REGULATOR, CDI AND COIL
Ver Peças/Preços/Stock
ELECTRICAL, WIRE HARNESSES
Ver Peças/Preços/Stock
ENGINE, AIR INTAKE SYSTEM
Ver Peças/Preços/Stock
ENGINE, CARBURETOR
Ver Peças/Preços/Stock
ENGINE, CLUTCH
Ver Peças/Preços/Stock
ENGINE, CLUTCH COVER
Ver Peças/Preços/Stock
ENGINE, CLUTCH LEVER AND MASTER CYLINDER
Ver Peças/Preços/Stock
ENGINE, COOLING SYSTEM
Ver Peças/Preços/Stock
ENGINE, CRANKCASE
Ver Peças/Preços/Stock
ENGINE, CRANKSHAFT AND PISTON
Ver Peças/Preços/Stock
ENGINE, CYLINDER
Ver Peças/Preços/Stock
ENGINE, CYLINDER HEAD
Ver Peças/Preços/Stock
ENGINE, EXHAUST
Ver Peças/Preços/Stock
ENGINE, MOUNTING
Ver Peças/Preços/Stock
ENGINE, OIL SYSTEM AND OIL PUMP
Ver Peças/Preços/Stock
ENGINE, STARTING SYSTEM
Ver Peças/Preços/Stock
ENGINE, TIMING SYSTEM
Ver Peças/Preços/Stock
ENGINE, VALVE DRIVE
Ver Peças/Preços/Stock
REFERENCE, MANUALS AND INFORMATION
Ver Peças/Preços/Stock
STEERING, CONTROLS AND INDICATOR
Ver Peças/Preços/Stock
STEERING, POST AND HANDLEBAR
Ver Peças/Preços/Stock
STEERING, TIE RODS AND LOWER ASM.
Ver Peças/Preços/Stock
SUSPENSION, FRONT
Ver Peças/Preços/Stock
SUSPENSION, FRONT SHOCK
Ver Peças/Preços/Stock
SUSPENSION, REAR
Ver Peças/Preços/Stock
SUSPENSION, REAR SHOCK
Ver Peças/Preços/Stock
SUSPENSION, REAR SHOCK MOUNTING
Ver Peças/Preços/Stock
SUSPENSION, REAR SWAY BAR ASM.
Ver Peças/Preços/Stock
WHEELS, FRONT
Ver Peças/Preços/Stock
WHEELS, REAR
Ver Peças/Preços/Stock