0
Contatos
Polaris
Diagramas de Peças Polaris
Preços Veículos Polaris
Oleos Polaris
Consumiveis Polaris
Acessórios Polaris
Configurador Acessórios Polaris
Acessórios Polaris Mais Requisitados
Consumiveis
Loja Online
Promoções Fim de Semana
Alargadores Espaçadores
Baterias Motos e SSV
Capacetes
Correias Variador
Escapes ATV / SSV
Ferramenta tools Diagnóstico
Filtros de Ar
Filtros de Oleo
Guinchos
Jantes ATV e SSV
Malas e Baus
Merchandising Boutique
Oleos Lubrificantes
Optimate Acessórios
Optimate Optimizadores de Bateria
Pastilhas de Travão Travagem
Pinhons Cremalheiras Correntes
Proteções Bumpers
Rolamentos Roda
Transmissões Foles Homocinéticas
Variadores Acessórios
Velas e Cachimbos
Encomendas-Faturas
Minhas Encomendas
Faturas Emitidas
Peças Pendentes
Viaturas
Localizar Número Chassis
Modelos 2021
Modelos 2022
Modelos 2023
Modelos 2024
Modelos 2025
Modelos 2026
Cesto
0
Benvindo : Sair
<< Voltar
Polaris SCRAMBLER 500 2X4 INTL 2007
A07BA50FA
AIR BOX
Ver Peças/Preços/Stock
BRAKE, CALIPER MOUNTING, REAR
Ver Peças/Preços/Stock
BRAKE, FRONT
Ver Peças/Preços/Stock
BRAKE, HAND/MASTER CYLINDER\BRAKE LINE
Ver Peças/Preços/Stock
BRAKE, REAR
Ver Peças/Preços/Stock
BUMPER, FRONT AND SHIELDS
Ver Peças/Preços/Stock
CAB, FRONT
Ver Peças/Preços/Stock
CAB, REAR
Ver Peças/Preços/Stock
CLUTCH COVER
Ver Peças/Preços/Stock
CLUTCH, DRIVE
Ver Peças/Preços/Stock
CLUTCH, DRIVEN
Ver Peças/Preços/Stock
CONTROL PANEL
Ver Peças/Preços/Stock
CONTROLS, THROTTLE ASM/CABLE
Ver Peças/Preços/Stock
COOLING SYSTEM
Ver Peças/Preços/Stock
DECALS
Ver Peças/Preços/Stock
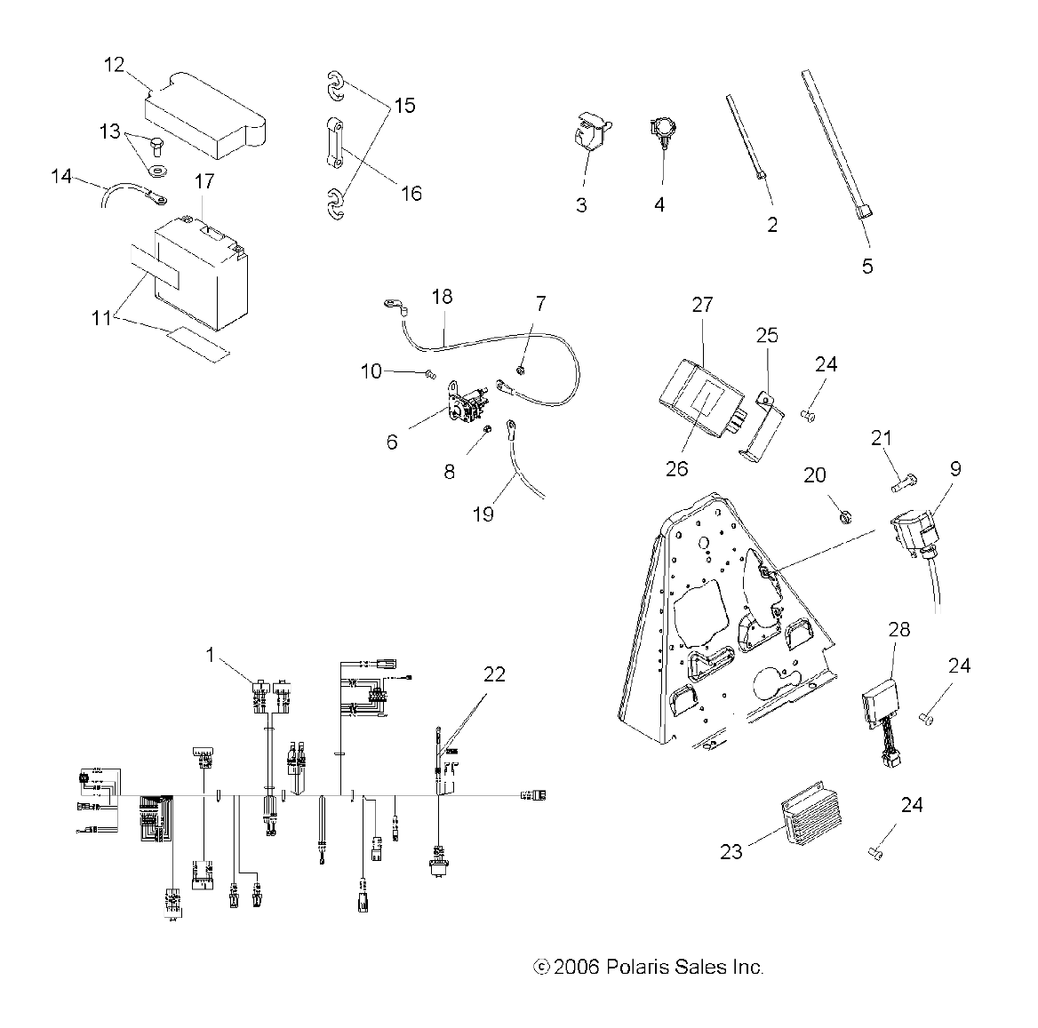
ELECTRICAL/TAILLIGHT
Ver Peças/Preços/Stock
ENGINE, CARBURETOR MOUNTING/FUEL PUMP/LINES
Ver Peças/Preços/Stock
ENGINE, CARBURETOR, LOWER
Ver Peças/Preços/Stock
ENGINE, CARBURETOR, UPPER
Ver Peças/Preços/Stock
ENGINE, CRANKCASE
Ver Peças/Preços/Stock
ENGINE, CRANKSHAFT AND PISTON
Ver Peças/Preços/Stock
ENGINE, CYLINDER
Ver Peças/Preços/Stock
ENGINE, INTAKE AND EXHAUST
Ver Peças/Preços/Stock
ENGINE, MAGNETO
Ver Peças/Preços/Stock
ENGINE, MOUNTING
Ver Peças/Preços/Stock
ENGINE, OIL FILTER
Ver Peças/Preços/Stock
ENGINE, OIL PUMP
Ver Peças/Preços/Stock
ENGINE, RECOIL STARTER
Ver Peças/Preços/Stock
ENGINE, STARTING MOTOR
Ver Peças/Preços/Stock
ENGINE, WATER PUMP
Ver Peças/Preços/Stock
EXHAUST SYSTEM
Ver Peças/Preços/Stock
FUEL SYSTEM
Ver Peças/Preços/Stock
GEAR SELECTOR
Ver Peças/Preços/Stock
HANDLEBAR/HEADLIGHT
Ver Peças/Preços/Stock
OIL TANK
Ver Peças/Preços/Stock
SHAFT, PROP, GUARD
Ver Peças/Preços/Stock
STEERING POST
Ver Peças/Preços/Stock
SUSPENSION, AXLE, REAR
Ver Peças/Preços/Stock
SUSPENSION, FRONT
Ver Peças/Preços/Stock
SUSPENSION, REAR
Ver Peças/Preços/Stock
SUSPENSION, SHOCK, REAR
Ver Peças/Preços/Stock
SUSPENSION, STRUT, FRONT
Ver Peças/Preços/Stock
TOOL KIT
Ver Peças/Preços/Stock
TRANSMISSION
Ver Peças/Preços/Stock
TRANSMISSION MOUNTING
Ver Peças/Preços/Stock
TRANSMISSION, INTERNAL
Ver Peças/Preços/Stock
WHEEL, FRONT
Ver Peças/Preços/Stock
WHEEL, REAR
Ver Peças/Preços/Stock