0
Contatos
Polaris
Diagramas de Peças Polaris
Preços Veículos Polaris
Oleos Polaris
Consumiveis Polaris
Acessórios Polaris
Configurador Acessórios Polaris
Acessórios Polaris Mais Requisitados
Consumiveis
Loja Online
Promoções Fim de Semana
Alargadores Espaçadores
Baterias Motos e SSV
Capacetes
Correias Variador
Escapes ATV / SSV
Ferramenta tools Diagnóstico
Filtros de Ar
Filtros de Oleo
Guinchos
Jantes ATV e SSV
Malas e Baus
Merchandising Boutique
Oleos Lubrificantes
Optimate Acessórios
Optimate Optimizadores de Bateria
Pastilhas de Travão Travagem
Pinhons Cremalheiras Correntes
Proteções Bumpers
Rolamentos Roda
Transmissões Foles Homocinéticas
Variadores Acessórios
Velas e Cachimbos
Encomendas-Faturas
Minhas Encomendas
Faturas Emitidas
Peças Pendentes
Viaturas
Localizar Número Chassis
Modelos 2021
Modelos 2022
Modelos 2023
Modelos 2024
Modelos 2025
Modelos 2026
Cesto
0
Benvindo : Sair
<< Voltar
Polaris SPORTSMAN MV7 2005
A05MH68AP
A-ARM/STRUT MOUNTING
Ver Peças/Preços/Stock
AIR BOX
Ver Peças/Preços/Stock
BRAKE LINES, FRONT
Ver Peças/Preços/Stock
BRAKE, FRONT
Ver Peças/Preços/Stock
CAB, FRONT
Ver Peças/Preços/Stock
CAB, REAR AND SEAT
Ver Peças/Preços/Stock
CALIPER, REAR
Ver Peças/Preços/Stock
CARBURETOR
Ver Peças/Preços/Stock
CLUTCH COVER
Ver Peças/Preços/Stock
CONTROLS
Ver Peças/Preços/Stock
CONTROLS
Ver Peças/Preços/Stock
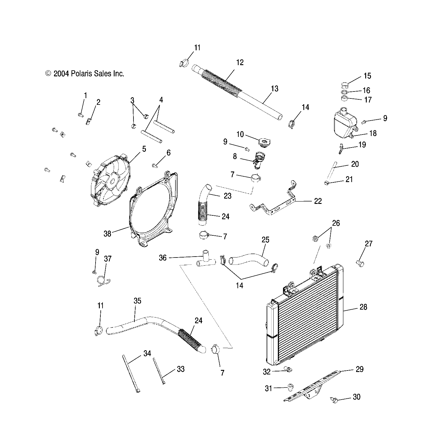
COOLING SYSTEM
Ver Peças/Preços/Stock
CRANKCASE
Ver Peças/Preços/Stock
CRANKSHAFT AND PISTON
Ver Peças/Preços/Stock
CYLINDER AND CYLINDER HEAD
Ver Peças/Preços/Stock
DECALS
Ver Peças/Preços/Stock
DIPSTICK
Ver Peças/Preços/Stock
DRIVE CLUTCH
Ver Peças/Preços/Stock
DRIVE SHAFT, FRONT
Ver Peças/Preços/Stock
DRIVE SHAFT, REAR
Ver Peças/Preços/Stock
DRIVEN CLUTCH
Ver Peças/Preços/Stock
ELECTRICAL
Ver Peças/Preços/Stock
ENGINE MOUNTING
Ver Peças/Preços/Stock
EXHAUST SYSTEM
Ver Peças/Preços/Stock
FUEL TANK
Ver Peças/Preços/Stock
FUEL TANK, RESERVE
Ver Peças/Preços/Stock
GEAR SELECTOR
Ver Peças/Preços/Stock
GEARCASE
Ver Peças/Preços/Stock
GEARCASE MOUNTING, REAR
Ver Peças/Preços/Stock
GEARCASE, REAR
Ver Peças/Preços/Stock
HANDLEBAR AND HEADLIGHT POD
Ver Peças/Preços/Stock
HOUSING, FRONT
Ver Peças/Preços/Stock
INTAKE AND EXHAUST
Ver Peças/Preços/Stock
MAGNETO AND RECOIL
Ver Peças/Preços/Stock
MASTER CYLINDER, REAR AND FOOT PEDAL
Ver Peças/Preços/Stock
OIL PUMP
Ver Peças/Preços/Stock
PROP SHAFT, FRONT
Ver Peças/Preços/Stock
PROP SHAFT, REAR
Ver Peças/Preços/Stock
RACK MOUNTING, FRONT AND BUMPER MOUNTING
Ver Peças/Preços/Stock
RACK MOUNTING, REAR
Ver Peças/Preços/Stock
ROLLBARS
Ver Peças/Preços/Stock
STARTING MOTOR
Ver Peças/Preços/Stock
STEERING POST
Ver Peças/Preços/Stock
STRUT, FRONT
Ver Peças/Preços/Stock
SUSPENSION, REAR
Ver Peças/Preços/Stock
TOOL KIT
Ver Peças/Preços/Stock
TRANSMISSION MOUNTING
Ver Peças/Preços/Stock
WATER PUMP
Ver Peças/Preços/Stock
WHEEL, FRONT
Ver Peças/Preços/Stock
WHEEL, REAR
Ver Peças/Preços/Stock
WINCH ASM.
Ver Peças/Preços/Stock