0
Contatos
Polaris
Diagramas de Peças Polaris
Preços Veículos Polaris
Oleos Polaris
Consumiveis Polaris
Acessórios Polaris
Configurador Acessórios Polaris
Acessórios Polaris Mais Requisitados
Consumiveis
Loja Online
Promoções Fim de Semana
Alargadores Espaçadores
Baterias Motos e SSV
Capacetes
Correias Variador
Escapes ATV / SSV
Ferramenta tools Diagnóstico
Filtros de Ar
Filtros de Oleo
Guinchos
Jantes ATV e SSV
Malas e Baus
Merchandising Boutique
Oleos Lubrificantes
Optimate Acessórios
Optimate Optimizadores de Bateria
Pastilhas de Travão Travagem
Pinhons Cremalheiras Correntes
Proteções Bumpers
Rolamentos Roda
Transmissões Foles Homocinéticas
Variadores Acessórios
Velas e Cachimbos
Encomendas-Faturas
Minhas Encomendas
Faturas Emitidas
Peças Pendentes
Viaturas
Localizar Número Chassis
Modelos 2021
Modelos 2022
Modelos 2023
Modelos 2024
Modelos 2025
Modelos 2026
Cesto
0
Benvindo : Sair
<< Voltar
Polaris A04CA32AA TRAIL BOSS 330 2004
A04CA32AA/AB/FA
A-ARM/STRUT MOUNTING
Ver Peças/Preços/Stock
AIR BOX
Ver Peças/Preços/Stock
BUMPER AND RACK MOUNTING
Ver Peças/Preços/Stock
CARBURETOR
Ver Peças/Preços/Stock
CLUTCH COVER
Ver Peças/Preços/Stock
CONTROLS
Ver Peças/Preços/Stock
CRANKCASE
Ver Peças/Preços/Stock
CRANKSHAFT AND PISTON
Ver Peças/Preços/Stock
CYLINDER
Ver Peças/Preços/Stock
DECALS
Ver Peças/Preços/Stock
DRIVE CLUTCH
Ver Peças/Preços/Stock
DRIVEN CLUTCH
Ver Peças/Preços/Stock
ELECTRICAL/TAILLIGHT
Ver Peças/Preços/Stock
ENGINE MOUNTING
Ver Peças/Preços/Stock
EXHAUST SYSTEM
Ver Peças/Preços/Stock
FRONT BRAKE
Ver Peças/Preços/Stock
FRONT CAB
Ver Peças/Preços/Stock
FRONT WHEEL
Ver Peças/Preços/Stock
FUEL PUMP
Ver Peças/Preços/Stock
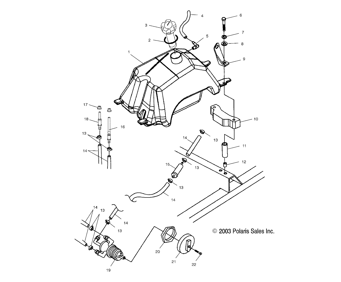
FUEL TANK
Ver Peças/Preços/Stock
GEAR SELECTOR
Ver Peças/Preços/Stock
GEARCASE
Ver Peças/Preços/Stock
GEARCASE MOUNTING
Ver Peças/Preços/Stock
HANDLEBAR
Ver Peças/Preços/Stock
INTAKE AND EXHAUST
Ver Peças/Preços/Stock
MAGNETO
Ver Peças/Preços/Stock
OIL COOLING
Ver Peças/Preços/Stock
OIL PUMP AND OIL FILTER
Ver Peças/Preços/Stock
REAR BRAKE MASTER CYLINDER
Ver Peças/Preços/Stock
REAR CAB AND SEAT
Ver Peças/Preços/Stock
REAR CALIPER MOUNTING
Ver Peças/Preços/Stock
REAR HOUSING
Ver Peças/Preços/Stock
REAR WHEEL
Ver Peças/Preços/Stock
RECOIL STARTER
Ver Peças/Preços/Stock
STARTING MOTOR
Ver Peças/Preços/Stock
STEERING POST
Ver Peças/Preços/Stock
STRUT
Ver Peças/Preços/Stock
SWING ARM/SHOCK MOUNTING
Ver Peças/Preços/Stock
THROTTLE CONTROL/THROTTLE CABLE
Ver Peças/Preços/Stock
TOOL KIT
Ver Peças/Preços/Stock