
| # | Referencia | Descrição | Quant(*) | PVP | Stock | 
|---|---|---|---|---|---|
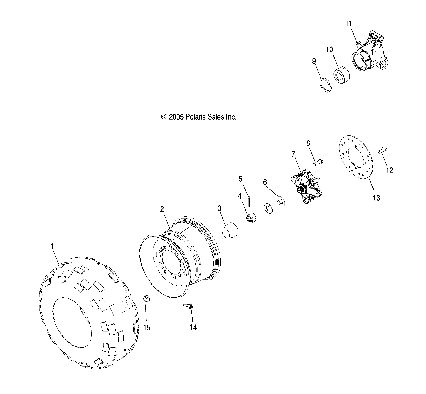
| 1 | 5412661 | Tire, 26x11-12 Esta Referencia foi alterada para : 5419038 | 2 | Alterada | |
| 2 | 1520457-067 | WELD-RIM,REAR,12X8.0,BLK [MH76AQ][MH76AX] Esta Referencia foi alterada para : 1523450-067 | 2 | Alterada | |
| 2 | 1520457-486 | Rim, Rear, Silver [MH76AY][MH76AZ] Esta Referencia foi alterada para : 1523450-067 | 2 | Alterada | |
| 2 | 1520797-455 | Rim, Rear, NBU [MN76AT] Consulte-nos podemos ter uma solução | 2 | Obsoleta | |
| 3 | 5411164 | Cover, Dust, Hub Esta Referencia foi alterada para : 5413427 | 2 | Alterada | |
| 4 | 7543005 | Nut, Castle Consulte-nos podemos ter uma solução | 2 | Obsoleta | |
| 5 | 7661404 | Pin, Cotter | 2 | 7.43+iva | |
| 6 | 7555796 | Washer, Cone | 4 | 12.40+iva | |
| 7 | 5135113 | Hub, Rear Wheel Esta Referencia foi alterada para : 5143629 | 2 | Alterada | |
| 8 | 7515513 | Stud Consulte-nos podemos ter uma solução | 8 | Obsoleta | |
| 9 | 7710440 | Ring, Retaining | 2 | 14.00+iva | |
| 10 | 3585502 | Bearing Esta Referencia foi alterada para : 3514635 | 2 | Alterada | |
| 11 | 5135563 | Carrier, Wheel Bearing | 2 | 88.57+iva | |
| 12 | 7518653 | Bolt Consulte-nos podemos ter uma solução | 4 | Obsoleta | |
| 13 | 5248250 | Disc, Brake, Rear | 1 | 129.90+iva | |
| 14 | 1525017 | Valve, Rim | 2 | 9.92+iva | |
| 15 | 7547237 | Nut, Flange | 8 | 4.32+iva |