0
Contatos
Produtos
Polaris Peças e Acessórios
Polaris Tarifário Veículos
Os mais Pesquisados
Promoções Fim de Semana
Encomendas-Faturas
Minhas Encomendas
Faturas Emitidas
Peças Pendentes
Preços-Viaturas
Modelos 2021
Modelos 2022
Modelos 2023
Modelos 2024
Modelos 2025
Cesto
0
Faça Login
Consultar Preço
Voltar
Ver Ultimo Diagrama
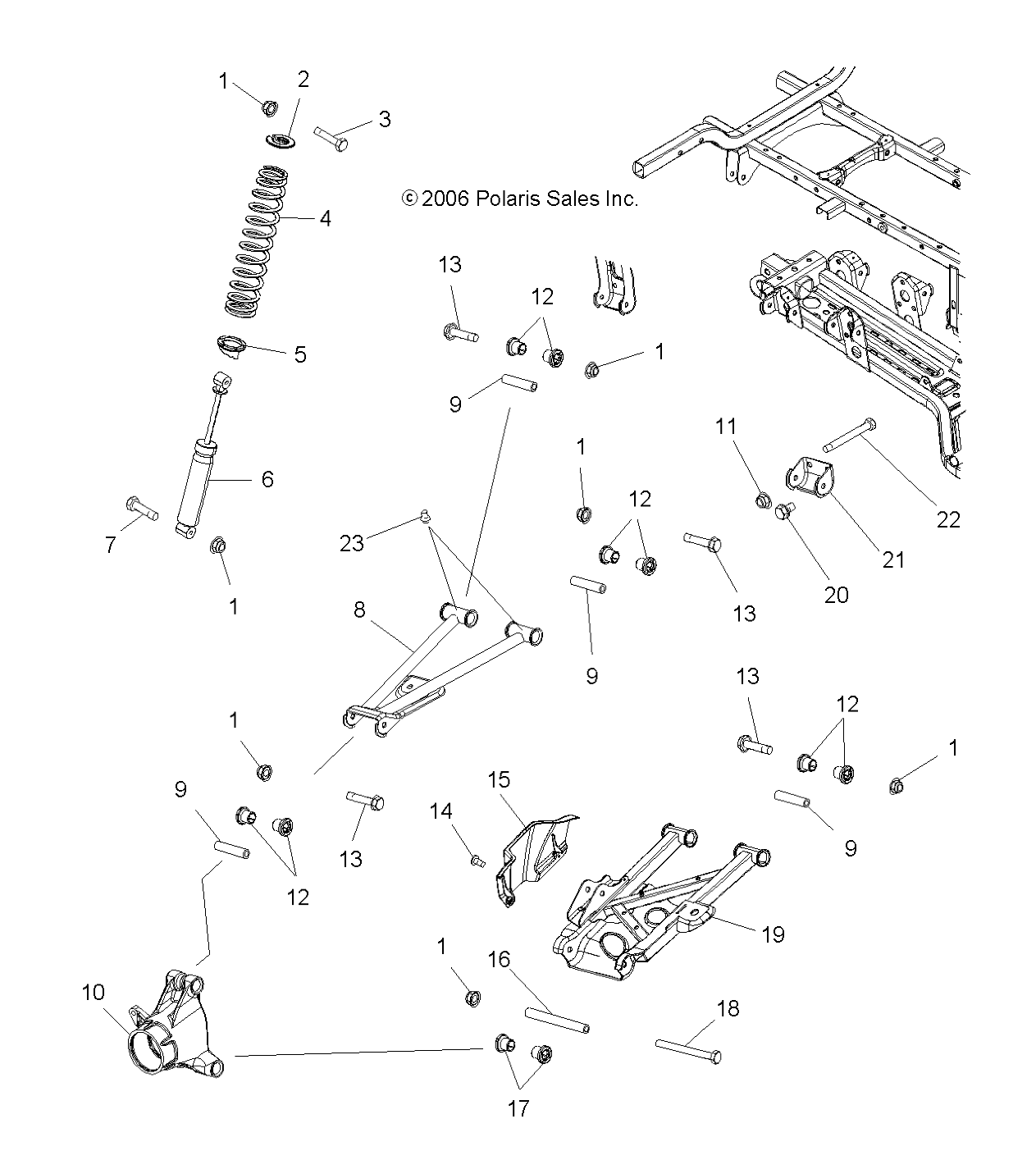
SPRING-COMP RR 130/150#/IN BLK
Referencia :
7043242-067
158,83 €
+iva
Stock:
Peça descontinuada ou Obsoleta
consulte-nos podemos ter uma alternativa !!!
Onde se usa esta peça?
SPRING-COMP RR 130/150#/IN BLK
Part Number : 7043242-067
Esta peça Corresponde ao número :4