0
Contatos
Produtos
Polaris Peças e Acessórios
Polaris Tarifário Veículos
Os mais Pesquisados
Promoções Fim de Semana
Encomendas-Faturas
Minhas Encomendas
Faturas Emitidas
Peças Pendentes
Preços-Viaturas
Modelos 2021
Modelos 2022
Modelos 2023
Modelos 2024
Modelos 2025
Cesto
0
Faça Login
Consultar Preço
Voltar
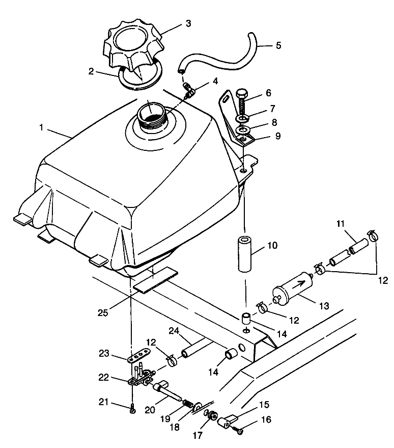
TANK FUEL
Referencia :
5432879
164,35 €
+iva
Stock:
Referencia Alterada para 2520241 clique aqui para ver a nova peça
Onde se usa esta peça?
TANK FUEL
Part Number : 5432879
Esta peça Corresponde ao número :1