0
Contatos
Produtos
Polaris Peças e Acessórios
Polaris Tarifário Veículos
Os mais Pesquisados
Promoções Fim de Semana
Encomendas-Faturas
Minhas Encomendas
Faturas Emitidas
Peças Pendentes
Preços-Viaturas
Modelos 2021
Modelos 2022
Modelos 2023
Modelos 2024
Modelos 2025
Cesto
0
Faça Login
Consultar Preço
Voltar
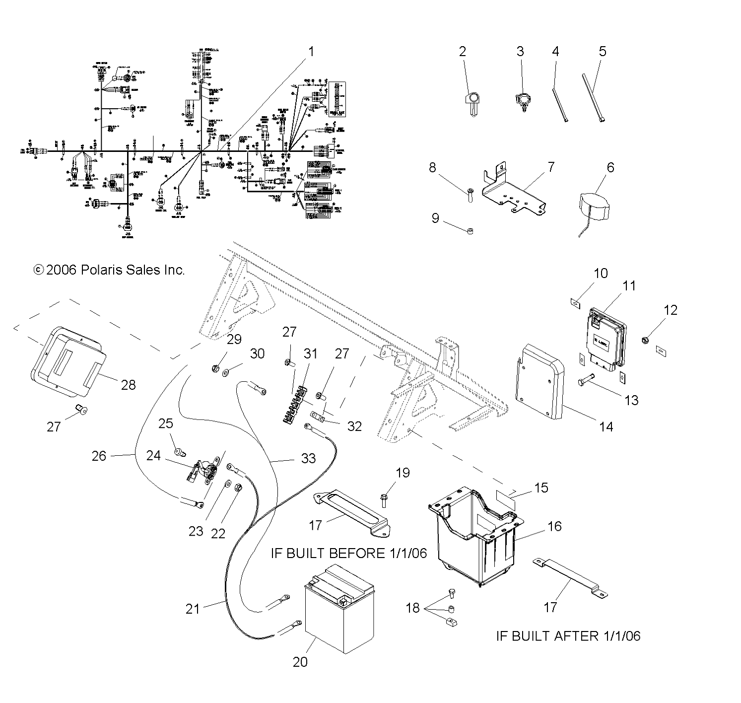
ENGINE AIR TEMP HARNESS KIT
Referencia :
2875900
186,47 €
+iva
Stock:
Adicionar
Onde se usa esta peça?
ENGINE AIR TEMP HARNESS KIT
Part Number : 2875900
Esta peça Corresponde ao número :1