0
Contatos
Produtos
Polaris Peças e Acessórios
Polaris Tarifário Veículos
Os mais Pesquisados
Promoções Fim de Semana
Encomendas-Faturas
Minhas Encomendas
Faturas Emitidas
Peças Pendentes
Preços-Viaturas
Modelos 2021
Modelos 2022
Modelos 2023
Modelos 2024
Modelos 2025
Cesto
0
Faça Login
Consultar Preço
Voltar
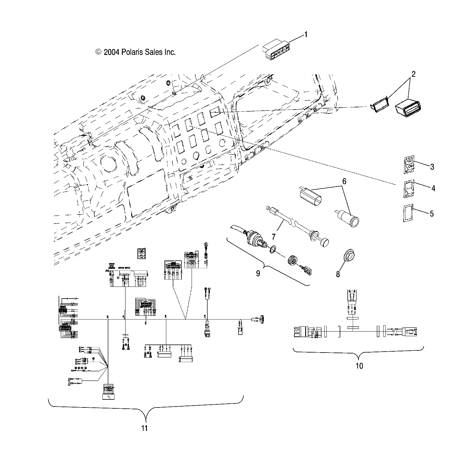
Ver Ultimo Diagrama
DASH HARNESS
Referencia :
2410525
991,85 €
+iva
Stock:
Peça descontinuada ou Obsoleta
consulte-nos podemos ter uma alternativa !!!
Onde se usa esta peça?
DASH HARNESS
Part Number : 2410525
Esta peça Corresponde ao número :11