0
Contatos
Produtos
Polaris Peças e Acessórios
Polaris Tarifário Veículos
Os mais Pesquisados
Promoções Fim de Semana
Encomendas-Faturas
Minhas Encomendas
Faturas Emitidas
Peças Pendentes
Preços-Viaturas
Modelos 2021
Modelos 2022
Modelos 2023
Modelos 2024
Modelos 2025
Cesto
0
Faça Login
Consultar Preço
Voltar
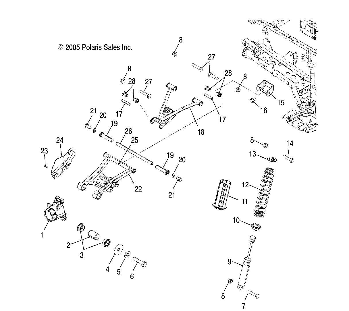
CONTROL LOWER LH BLK
Referencia :
1015117-067
156,07 €
+iva
Stock:
Referencia Alterada para 1015888-067 clique aqui para ver a nova peça
Onde se usa esta peça?
CONTROL LOWER LH BLK
Part Number : 1015117-067
Esta peça Corresponde ao número :22